Operation CHARM: Car repair manuals for everyone.
Manuals through 2025 now available!

Our trusted friends have launched a new website named LEMON, which has newer manuals. It also contains all the CHARM manuals.

LEMON is the spiritual successor to CHARM, I recommend you try it!

Link: lemon-manuals.la or lemon-manuals.org.ua

(Some people have issue connecting. LEMON is investigating. For now, use Firefox or change your DNS server)

Or, hide this message: temporarily or permanently

Air Bag Control Module: Service and Repair

INFLATABLE RESTRAINT SENSING AND DIAGNOSTIC MODULE REPLACEMENT

CAUTION:
^ Be careful when you handle a Sensing And Diagnostic Module (SDM). Do not strike or jolt the SDM. Before applying power to the SDM:
^ Remove any dirt, grease, etc. from the mounting surface
^ Position the SDM horizontally on the mounting surface
^ Point the arrow on the SDM toward the front of the vehicle
^ Tighten all of the SDM fasteners and SDM bracket fasteners to the specified torque value

Failure to follow the correct procedure could cause air bag deployment, personal injury, or unnecessary SIR system repairs.

^ If any water enters the vehicle's interior up to the level of the carpet or higher and soaks the carpet, the sensing and diagnostic module (SDM) and the SDM harness connector may need to be replaced. The SDM could be activated when powered, which could cause deployment 01, the air bag(s) and result in personal injury. Before attempting these procedures, the SIR system must be disabled. Refer to Disabling the SIR System.

With the ignition OFF, inspect the SDM mounting area, including the carpet. If any significant soaking or evidence of significant soaking is detected, you must perform the following tasks:
1. Remove all water.
2. Repair the water damage.
3. Replace the SDM harness connector.
4. Replace the SDM.

Failure to follow these tasks could result in possible air bag deployment, personal injury, or otherwise unneeded SIR system repairs.


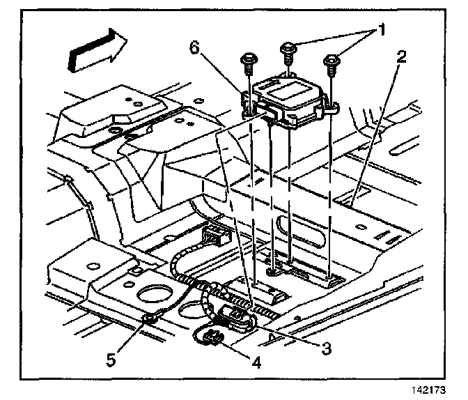
REMOVAL PROCEDURE




1. Disable the SIR system.
2. Remove the passenger seat.
3. Remove the passenger carpet retainer.
4. Lift up the carpet and insulation in order to access the Inflatable Restraint Sensing And The Diagnostic Module (SDM).




5. Remove the Connector Position Assurance (CPA) (3) from the SDM harness connector (2).
6. Disconnect the SDM harness connector (2) from the SDM (1).




7. Remove the SDM (6) mounting fasteners (1).
8. Remove the SDM (6) from the floor (2).

INSTALLATION PROCEDURE




1. Install the SDM (6) to the floor (2).

NOTE: Refer to Fastener Notice in Service Precautions.

2. Install the SDM mounting fasteners (1).

Tighten
Tighten fasteners to 9 N.m (80 lb in).

3. Install the Connector Position Assurance (CPA) (1) to the Inflatable Restraint Sensing And Diagnostic Module (SDM) wiring harness connector (2).




4. Install the SDM harness connector (2) to the SDM (1).
5. Install the Connector Position Assurance (CPA) (3) to the SDM harness connector (2).




6. Install the passenger carpet retainer.
7. Install the passenger seat.
8. Enable the SIR system.
9. After replacing the SDM the new SDM must be programmed into the Dash Integration Module. Refer to BCM Programming/RPO Configuration (DIM) or BCM Programming/RPO Configuration (IPM) or BCM Programming/RPO Configuration (RIM) in Body Control Module.