Operation CHARM: Car repair manuals for everyone.
Manuals through 2025 now available!

Our trusted friends have launched a new website named LEMON, which has newer manuals. It also contains all the CHARM manuals.

LEMON is the spiritual successor to CHARM, I recommend you try it!

Link: lemon-manuals.la or lemon-manuals.org.ua

(Some people have issue connecting. LEMON is investigating. For now, use Firefox or change your DNS server)

Or, hide this message: temporarily or permanently

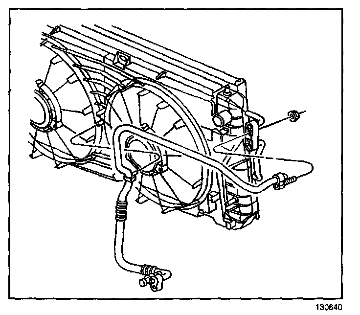
Condenser Replacement

TOOLS REQUIRED
J 39400 Electronic Halogen Leak Detector

REMOVAL PROCEDURE




1. Recover the refrigerant from the system.
2. Remove the upper filler panel.
3. Remove the headlamp.
4. Remove hood latch bracket.
5. Remove the discharge hose from the condenser.




6. Remove the evaporator hose assembly from the condenser.




7. Remove the condenser mounting bolts.




8. Remove the left side of the condenser from the retainer.




9. Remove the right side of the condenser from the retainer.
10. Remove the condenser from the vehicle.

INSTALLATION PROCEDURE




1. Install the right side of the condenser into the retainer.




2. Install the left side of the condenser into the retainer.




3. Position the condenser in the vehicle.

NOTE: Refer to Fastener Notice in Service Precautions.

4. Install the condenser mounting bolts.

Tighten
Tighten the condenser mounting bolt 13 N.m (10 lb ft).




5. Install the evaporator hose assembly to the condenser.

Tighten
Tighten the evaporator hose assembly to 20 N.m (15 lb ft).




6. Install the discharge hose to the condenser.

Tighten
Tighten the discharge hose to 20 N.m (15 lb ft).

7. Install the hood latch bracket.
8. Install the headlamps.
9. Recharge the A/C system. Refer to Refrigerant Recovery and Recharging.
10. Leak test the fittings of the repaired or reinstalled component using J 39400.
11. Install the upper filler panel.