Operation CHARM: Car repair manuals for everyone.
Manuals through 2025 now available!

Our trusted friends have launched a new website named LEMON, which has newer manuals. It also contains all the CHARM manuals.

LEMON is the spiritual successor to CHARM, I recommend you try it!

Link: lemon-manuals.la or lemon-manuals.org.ua

(Some people have issue connecting. LEMON is investigating. For now, use Firefox or change your DNS server)

Or, hide this message: temporarily or permanently

Ground Strap: Service and Repair

GROUND STRAP REPLACEMENT

REMOVAL PROCEDURE

IMPORTANT:
^ Always use replacement cables that are of the same type, diameter and length of the cables that you are replacing.
^ Always route the replacement cable the same way as the original cable.




1. Remove the upper filler panel.
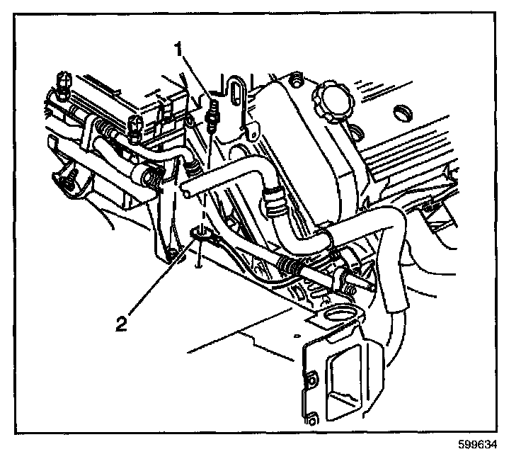
2. Remove the bolt (1) securing the engine ground cable (2) to the right side body frame rail.
3. Remove the bolt securing the engine ground cable to the generator.
4. Remove the engine ground cable from the vehicle.

INSTALLATION PROCEDURE




1. Position the engine ground cable to the engine.

NOTE: Refer to Fastener Notice in Service Precautions.

2. Install the bolt securing the engine ground cable to the generator.

Tighten
Tighten the generator mounting bolt to 50 N.m (37 lb ft).

3. Install the bolt (1) securing the engine ground cable (2) to the right side body frame rail.

Tighten
Tighten the engine ground cable bolt to 50 N.m (37 lb ft).

4. Install the upper filler panel.