Operation CHARM: Car repair manuals for everyone.
Manuals through 2025 now available!

Our trusted friends have launched a new website named LEMON, which has newer manuals. It also contains all the CHARM manuals.

LEMON is the spiritual successor to CHARM, I recommend you try it!

Link: lemon-manuals.la or lemon-manuals.org.ua

(Some people have issue connecting. LEMON is investigating. For now, use Firefox or change your DNS server)

Or, hide this message: temporarily or permanently

Windshield Washer Switch: Service and Repair

Removal Procedure

Caution: Refer to SIR Caution in Service Precautions.

1. Disable the SIR system. Refer to Disabling the SIR System in Restraint Systems.
2. Remove the steering column trim covers. Refer to Steering Column Trim Covers Replacement - On Vehicle.





3. Remove the steering column wiring harness tie straps (1 and 2).





4. Disconnect the steering column control module electrical connectors (2).





5. Open the lower steering column wire harness shield (1) and remove the steering column wire harness (2).
Note the direction of the steering column wiring harness is routed in the lower steering column wiring harness shield for re-installation.





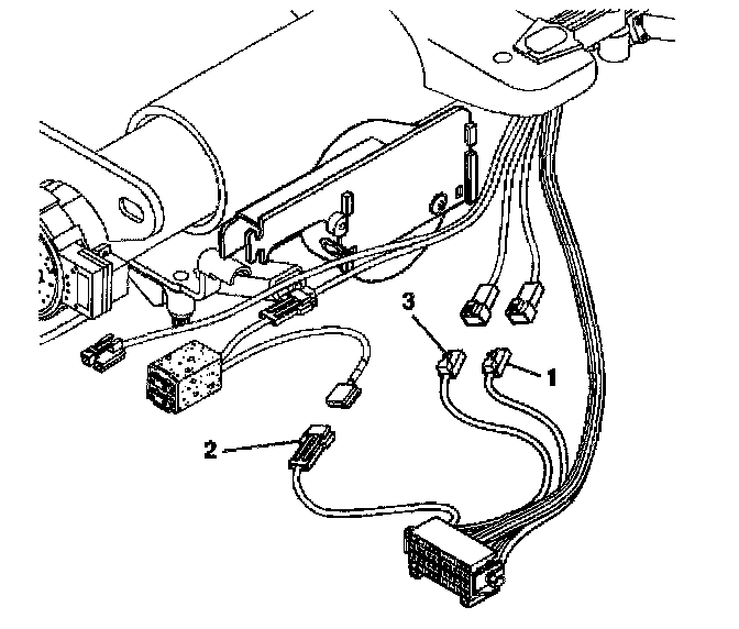
6. Disconnect the windshield and washer switch electrical connectors (1 and 3).





7. Depress the locking tab (1) on the windshield wiper and washer switch (2) and remove the windshield wiper washer switch from the steering column.

Installation Procedure





1. Install the windshield wiper and washer switch (2) to the steering column.





2. Connect the windshield wiper and washer switch electrical connectors (1 and 3).





3. Install the steering column wire harness (2) to the lower steering column wire harness shield (1).





4. Route and connect the electrical connector (1) from the windshield wiper and washer switch.
5. Install the steering column wiring harness tie straps (1 and 2).
6. Install the steering column trim covers. Refer to Steering Column Trim Covers Replacement - On Vehicle.
7. Enable the SIR system. Refer to Enabling the SIR System in Restraint Systems.