Operation CHARM: Car repair manuals for everyone.
Manuals through 2025 now available!

Our trusted friends have launched a new website named LEMON, which has newer manuals. It also contains all the CHARM manuals.

LEMON is the spiritual successor to CHARM, I recommend you try it!

Link: lemon-manuals.la or lemon-manuals.org.ua

(Some people have issue connecting. LEMON is investigating. For now, use Firefox or change your DNS server)

Or, hide this message: temporarily or permanently

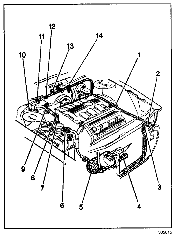
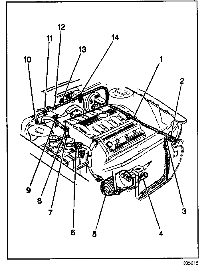
Refrigerant Low Temperature Sensor Replacement

REMOVAL PROCEDURE




1. Disconnect the sensor electrical connector.
2. Remove the sensor (9) from the accumulator line.

INSTALLATION PROCEDURE




1. Install the low-temperature sensor (9) to the accumulator line.
2. Connect the electrical connector to the sensor (9).