Operation CHARM: Car repair manuals for everyone.
Manuals through 2025 now available!

Our trusted friends have launched a new website named LEMON, which has newer manuals. It also contains all the CHARM manuals.

LEMON is the spiritual successor to CHARM, I recommend you try it!

Link: lemon-manuals.la or lemon-manuals.org.ua

(Some people have issue connecting. LEMON is investigating. For now, use Firefox or change your DNS server)

Or, hide this message: temporarily or permanently

Support Replacement

Support Replacement
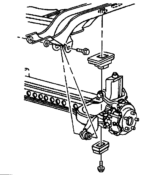
Removal Procedure





The suspension support is a separate sub-frame which supports all of the other rear suspension components. The suspension support is attached to the body at four points. The suspension support can be removed from the vehicle without removing or disconnecting the following parts:
- The spring
- The shock absorbers
- The control arms
- The knuckle
- The hub and bearing assembly
- The rotors

Important: Since the right rear brake crossover pipe is mounted to the suspension support, is important that all necessary precautions described in the following procedure are taken in order to ensure that the pipe is not damaged during the suspension support removal or installations procedures.

1. Raise and support the vehicle. Refer to Vehicle Lifting.
2. Remove the tires and wheels.
3. Suspend the left caliper.
4. Remove the other rear suspension components as required.





5. Remove the intermediate parking brake cable from the equalizer (2) and move the intermediate cable clear of the suspension support.
6. Remove the rear brake crossover pipe and the left rear brake hose from the bracket.
7. Disconnect the rear chassis wiring harness from the main body wiring harness.
8. Support the rear suspension support with suitable jackstand.





9. Remove the suspension support forward arm bolts, upper mounting bolts and lower insulators.

Important: While lowering the support, carefully watch the position of the brake calipers, brake hoses and crossover pipes in order to prevent damage during the removal procedure.

10. Lower the jackstand.

Installation Procedure





1. Position the suspension support under the vehicle on suitable jackstand. Align the suspension support with the vehicle body directly below the installed position.
2. Install the upper suspension support insulators on the suspension support.

Notice: Refer to fastener Notice in Service Precautions.

Important: While raising the suspension support, carefully watch the position of the brake calipers, brake hoses and crossover pipes. Reposition the brake calipers, brake pipes, and brake hoses as required in order to prevent interference or damage to the brake components.

3. Slowly raise the suspension support into the vehicle. Align the suspension support with the vehicle body as it is raised.

Important:
- Install both forward arm bolts in the proper direction, with the nuts installed on the right side of the arm.
- The cup-shaped washer is used on the left forward arm bolt installation only.

4. Install the suspension support forward arm bolts, nuts and washers, upper mounting bolts and insulators.
- Tighten the right side suspension support forward arm nut to 63 Nm (46 ft. lbs.).
- Tighten the left side suspension support forward arm bolt to 102 Nm (75 ft. lbs.).
- Tighten the upper mounting bolts to 102 Nm (75 ft. lbs.).
5. Connect the rear chassis wiring harness to the main body wiring harness.
6. Install the left rear brake hose and crossover pipe to the bracket.
7. Bleed the brakes.





8. Connect the intermediate parking brake cable to the equalizer (2).
9. Install any other rear suspension components previously removed.
10. Install the left caliper and the new caliper mounting bracket bolts.
- Tighten the caliper mounting bracket bolts to 113 Nm (83 ft. lbs.).
- Tighten the parking brake cable bracket bolt to 43 Nm (32 ft. lbs.).
11. Install the tire and wheel assemblies.

Important: Before lowering the vehicle onto its wheels (or before driving the vehicle, if it was not on a lift) turn the ignition on and wait approximately 45 seconds. This will permit the ALC system to execute the ARC, ensuring that the air adjustable shock absorbers are filled with residual pressure.

12. Lower the vehicle.