Operation CHARM: Car repair manuals for everyone.
Manuals through 2025 now available!

Our trusted friends have launched a new website named LEMON, which has newer manuals. It also contains all the CHARM manuals.

LEMON is the spiritual successor to CHARM, I recommend you try it!

Link: lemon-manuals.la or lemon-manuals.org.ua

(Some people have issue connecting. LEMON is investigating. For now, use Firefox or change your DNS server)

Or, hide this message: temporarily or permanently

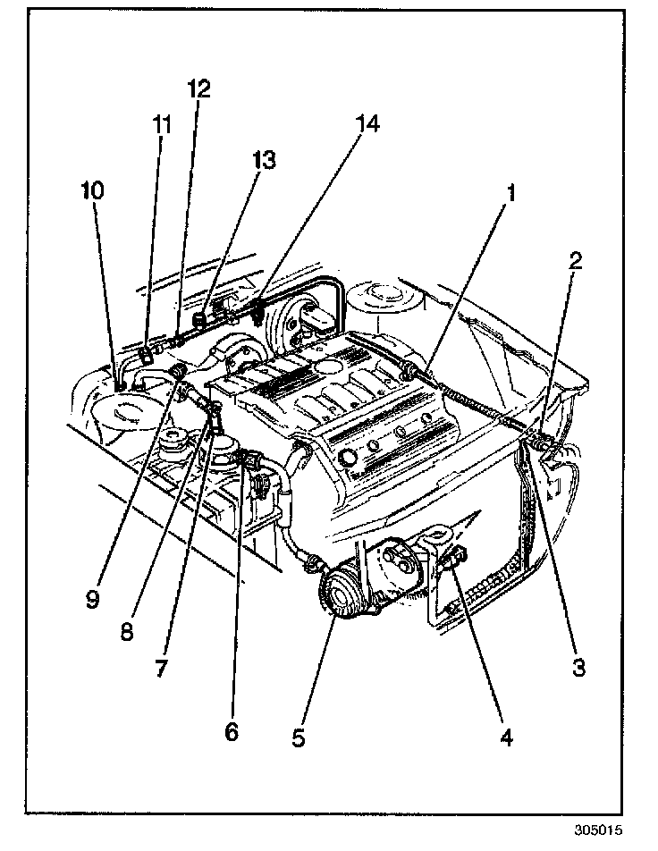
Refrigerant High Temperature Sensor Replacement

REMOVAL PROCEDURE




1. Disconnect the sensor electrical connector.
2. Remove the sensor (14) from the line.

INSTALLATION PROCEDURE




1. Install the low-pressure sensor (14) to the line.
2. Connect the electrical connector to the sensor (14).