Operation CHARM: Car repair manuals for everyone.
Manuals through 2025 now available!

Our trusted friends have launched a new website named LEMON, which has newer manuals. It also contains all the CHARM manuals.

LEMON is the spiritual successor to CHARM, I recommend you try it!

Link: lemon-manuals.la or lemon-manuals.org.ua

(Some people have issue connecting. LEMON is investigating. For now, use Firefox or change your DNS server)

Or, hide this message: temporarily or permanently

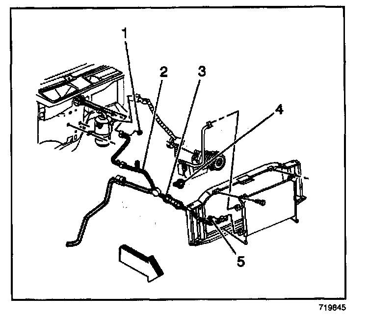
A/C Refrigerant Filter Replacement (C69)

TOOLS REQUIRED
J 39400-A Halogen Leak Detector

REMOVAL PROCEDURE




1. Recover the refrigerant from the system. Refer to Refrigerant Recovery and Recharging.
2. Remove the air cleaner. Refer to Air Cleaner Assembly Replacement in Computers and Controls Systems.
3. Remove the evaporator tube (2) from the vehicle.

IMPORTANT: The nuts (4) and ferrules (3) will remain on the evaporator tube. Do not try to remove.




4. Remove the nuts (4) from the A/C refrigerant filter (1).




5. Remove the A/C refrigerant filter (3) from the evaporator tube (2).

INSTALLATION PROCEDURE




1. Lubricate the O-rings (2) with 525 viscosity refrigerant oil.
2. Install the O-rings (2) to the evaporator tube.




3. Install the A/C refrigerant filter (3) to the evaporator tube (2) with the flow arrow pointing towards the evaporator.

NOTE: Refer to Fastener Notice in Service Precautions.




4. Install the nuts (4) to the A/C refrigerant filter (1).

Tighten
Tighten the nuts to 15 N.m (11 lb ft).




5. Install the evaporator tube (2) to the vehicle.
6. Recharge the A/C system. Refer to Refrigerant Recovery and Recharging.
7. Leak test the fitting(s) of the repaired or reinstalled component using the J39400-A.
8. Install the air cleaner. Refer to Air Cleaner Assembly Replacement in Computers and Controls Systems.

"For a description of the RPO Code(s) shown in this article or any of the images therein, refer to the RPO Code List found at Vehicle/Application ID". RPO Codes