Operation CHARM: Car repair manuals for everyone.
Manuals through 2025 now available!

Our trusted friends have launched a new website named LEMON, which has newer manuals. It also contains all the CHARM manuals.

LEMON is the spiritual successor to CHARM, I recommend you try it!

Link: lemon-manuals.la or lemon-manuals.org.ua

(Some people have issue connecting. LEMON is investigating. For now, use Firefox or change your DNS server)

Or, hide this message: temporarily or permanently

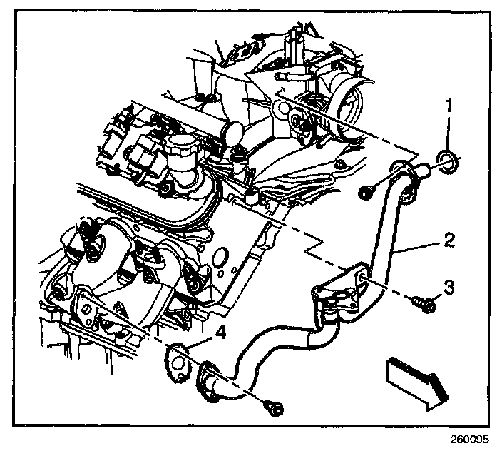
EGR Tube: Service and Repair

EXHAUST GAS RECIRCULATION (EGR) PIPE REPLACEMENT

REMOVAL PROCEDURE

CAUTION: Avoid breathing fumes and swallowing EGR exhaust deposits when removing components for cleaning as bodily injury may result.




1. Remove the engine sight shield.
2. Remove the air intake duct.
3. Remove the exhaust gas recirculation (EGR) valve.
4. Remove the EGR pipe (2) to intake manifold fasteners.
5. Remove the EGR pipe to exhaust manifold fasteners.
6. Remove the EGR pipe mounting fasteners from the right cylinder head.
7. Remove the EGR pipe.

INSTALLATION PROCEDURE




1. Install the EGR pipe.

NOTE: Refer to Fastener Notice in Service Precautions.

2. Install the EGR pipe mounting fasteners to the right cylinder head.

Tighten
Tighten the fasteners to 50 N.m (37 lb ft).

3. Install the EGR pipe (2) to exhaust manifold fasteners.

Tighten
Tighten the fasteners to 25 N.m (18 lb ft).

4. Install the EGR pipe to intake manifold fasteners.

Tighten
Tighten the fasteners to 12 N.m (106 lb in).

5. Install the EGR valve.
6. Install the air intake duct.
7. Install the engine sight shield.