Operation CHARM: Car repair manuals for everyone.
Manuals through 2025 now available!

Our trusted friends have launched a new website named LEMON, which has newer manuals. It also contains all the CHARM manuals.

LEMON is the spiritual successor to CHARM, I recommend you try it!

Link: lemon-manuals.la or lemon-manuals.org.ua

(Some people have issue connecting. LEMON is investigating. For now, use Firefox or change your DNS server)

Or, hide this message: temporarily or permanently

Compressor Replacement (W/ Denso)



Compressor Replacement (LR4, LM7, LQ4, w/Denso)

Tools Required

^ J 39400-A Halogen Leak Detector

Removal Procedure

1. Recover the refrigerant. Refer to Refrigerant Recovery and Recharging.
2. Remove the air conditioning (A/C) drive belt. Refer to Drive Belt Replacement - Air Conditioning in Engine Mechanical - 4.8L, 5.3L, and 6.OL.
3. Remove the right front tire and wheel assembly. Refer to Tire and Wheel Removal and Installation in Tires and Wheels.
4. Remove the wheel house panel from the vehicle. Refer to Wheelhouse Panel Replacement in Body Front End.
5. Remove the discharge hose bolt from the A/C compressor.
6. Remove the discharge hose from the A/C compressor.
7. Remove the suction hose bolt from the A/C compressor.
8. Remove the suction hose from the A/C compressor.
9. Discard the sealing washers. Cap all of the openings.
10. Disconnect the electrical connections.






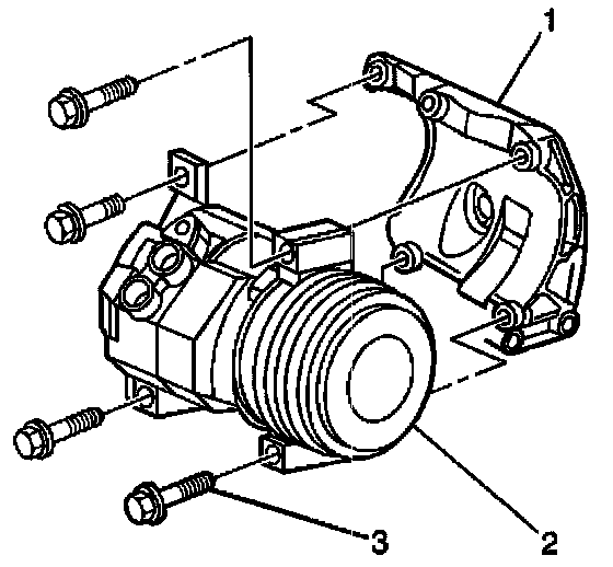
11. Remove the A/C compressor mounting bolts. The lower right bolt (3) will stay with the compressor due to a lack of clearance.
12. Remove the A/C compressor (2) from the bracket (1).
13. If replacing the A/C compressor, drain and measure as much of the oil as possible from the removed compressor.
A. Drain the oil from both the suction and discharge ports of the removed A/C compressor into a clean container. Rotate the compressor shaft to assist in draining the compressor.
B. Measure and record the amount of oil drained from the removed A/C compressor. This measurement will be used during installation of the replacement A/C compressor.
C. Properly discard the used PAG oil.

Installation Procedure

Important: The refrigerant oil in the A/C system must be balanced during compressor replacement.

1. The replacement compressor is shipped with 240 ml (8.0 oz) of refrigerant oil.






2. Before installing the compressor, the refrigerant oil will have to be partially drained:
A. Refer to the amount of refrigerant oil recorded during the compressor removal.
B. Subtract the amount recorded from the replacement compressor PAG oil capacity. Refer to - The difference between the replacement compressor PAG oil capacity and the recorded amount is the calculated amount to be drained from the replacement compressor.
3. Drain the calculated amount of refrigerant oil from the replacement compressor.






4. Install the A/C compressor (2) to the bracket (1) through the fender well. Insert the mounting bolt (3) into the lower right mounting boss before installing the A/C compressor.
5. Install the A/C compressor to the bracket. Insert the mounting bolt into the lower right mount before installing the A/C compressor.

Notice: Use the correct fastener in the correct location. Replacement fasteners must be the correct part number for that application. Fasteners requiring replacement or fasteners requiring the use of thread locking compound or sealant are identified in the service procedure. Do not use paints, lubricants, or corrosion inhibitors on fasteners or fastener joint surfaces unless specified. These coatings affect fastener torque and joint clamping force and may damage the fastener. Use the correct tightening sequence and specifications when installing fasteners in order to avoid damage to parts and systems.

6. Install the A/C compressor mounting bolts.

Tighten

^ Tighten the bolts to 50 N.m (37 lb ft).

7. Connect the electrical connector to the A/C compressor.
8. Install the A/C discharge hose to the compressor using new sealing washers. Refer to Sealing Washer Replacement.
9. Install the A/C discharge hose bolt to the A/C compressor.

Tighten

^ Tighten the bolt to 16 N.m (12 lb ft).

10. Install the A/C suction hose to the compressor using new sealing washers. refer to Sealing Washer Replacement
11. Install the A/C suction hose bolt to the A/C compressor.

Tighten

^ Tighten the bolt to 16 N.m (12 lb ft).

12. Install the wheel house panel to the vehicle. Refer to Wheelhouse Panel Replacement in Body Front End.
13. Install the right front tire and wheel assembly. Refer to Tire and Wheel Removal and Installation in Tires and Wheels.
14. Install the A/C drive belt. Refer to Drive Belt Replacement - Air Conditioning in Engine Mechanical - 4.8L, 5.3L, and 6.OL.
15. Evacuate and recharge the A/C system. Refer to Refrigerant Recovery and Recharging.
16. Leak test the fittings of the component using the J 39400-A.