Operation CHARM: Car repair manuals for everyone.
Manuals through 2025 now available!

Our trusted friends have launched a new website named LEMON, which has newer manuals. It also contains all the CHARM manuals.

LEMON is the spiritual successor to CHARM, I recommend you try it!

Link: lemon-manuals.la or lemon-manuals.org.ua

(Some people have issue connecting. LEMON is investigating. For now, use Firefox or change your DNS server)

Or, hide this message: temporarily or permanently

Engine

Disassembled Views (Seville/DeVille)








Engine Covers and Component Assemblies (1 of 2)








Engine Covers and Component Assemblies (2 of 2)





Camshaft Cover Assembly








Camshaft Timing Components





Intake Manifold





Cylinder Head Assemblies





Water Crossover and Throttle Body Assembly





Oil Pump





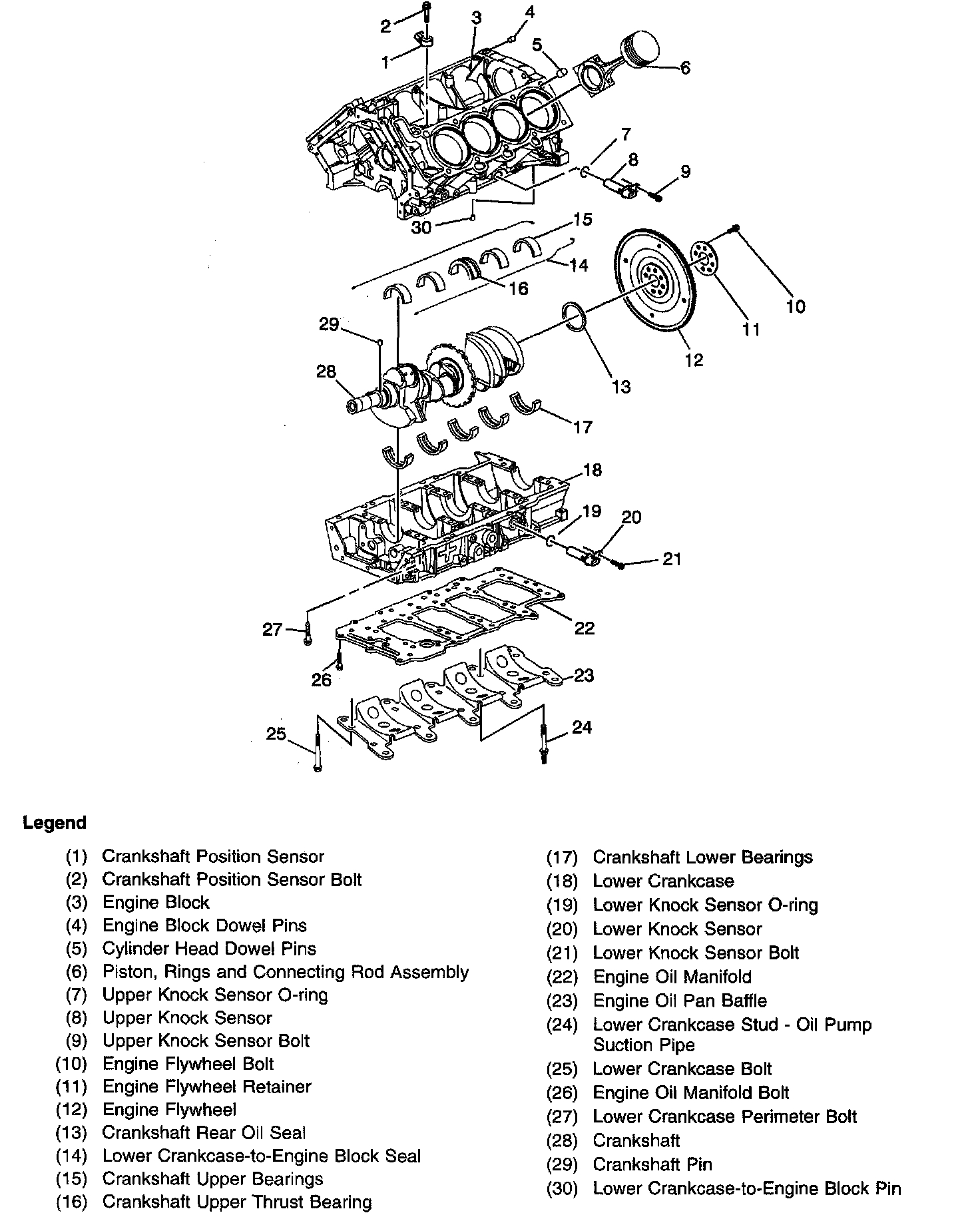
Engine Block Assembly





Piston, Rings, Bearing and Connecting Rod





Oil Filter Adapter





Oil Filter Adapter with Oil Cooler