Operation CHARM: Car repair manuals for everyone.
Manuals through 2025 now available!

Our trusted friends have launched a new website named LEMON, which has newer manuals. It also contains all the CHARM manuals.

LEMON is the spiritual successor to CHARM, I recommend you try it!

Link: lemon-manuals.la or lemon-manuals.org.ua

(Some people have issue connecting. LEMON is investigating. For now, use Firefox or change your DNS server)

Or, hide this message: temporarily or permanently

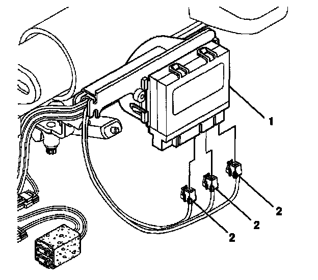
Steering Column Control Module

Steering Column Control Module Replacement

Removal Procedure

Caution: Refer to SIR Caution in Service Precautions.

1. Disable the SIR system.
2. Remove the knee bolster.





3. Disconnect the steering column control module electrical connectors (2).





4. Remove the steering column control module (a) from the lower steering column wire harness shield (1) by pulling the module outward (to release retaining clips) and sliding downward.

Installation Procedure





1. Install the steering column control module (2) to the lower steering column wire harness shield (1).





2. Connect steering column control module electrical connectors (2).
3. Install the knee bolster.
4. Enable the SIR system.