Operation CHARM: Car repair manuals for everyone.
Manuals through 2025 now available!

Our trusted friends have launched a new website named LEMON, which has newer manuals. It also contains all the CHARM manuals.

LEMON is the spiritual successor to CHARM, I recommend you try it!

Link: lemon-manuals.la or lemon-manuals.org.ua

(Some people have issue connecting. LEMON is investigating. For now, use Firefox or change your DNS server)

Or, hide this message: temporarily or permanently

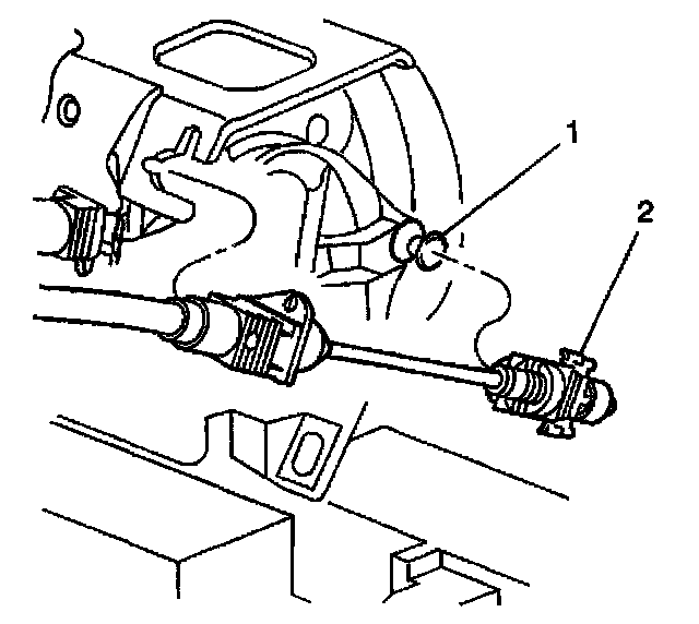
Cruise Control Servo Cable: Service and Repair

CRUISE CONTROL CABLE REPLACEMENT

REMOVAL PROCEDURE




1. Remove the cruise control cable (2) at the throttle body ever (1) and at the throttle body bracket.

IMPORTANT: Note the cable routing and the retainer position for reference during installation.




2. Remove the cruise control cable (1) from the cruise control module connector (3).




3. Remove the cable (1) from the retainers (2).

INSTALLATION PROCEDURE




1. Install the cruise control cable (1) to the cruise control module.




2. Install the cruise cable to the throttle lever (1) and to the throttle body bracket.

IMPORTANT: The cruise control cable does not require mechanical adjusting after the replacement The cruise control module internally adjusts the cable. Refer to Cruise Control Description and Operation for the complete operational details.




3. Install the cable (1) to the retainers (2).