Operation CHARM: Car repair manuals for everyone.
Manuals through 2025 now available!

Our trusted friends have launched a new website named LEMON, which has newer manuals. It also contains all the CHARM manuals.

LEMON is the spiritual successor to CHARM, I recommend you try it!

Link: lemon-manuals.la or lemon-manuals.org.ua

(Some people have issue connecting. LEMON is investigating. For now, use Firefox or change your DNS server)

Or, hide this message: temporarily or permanently

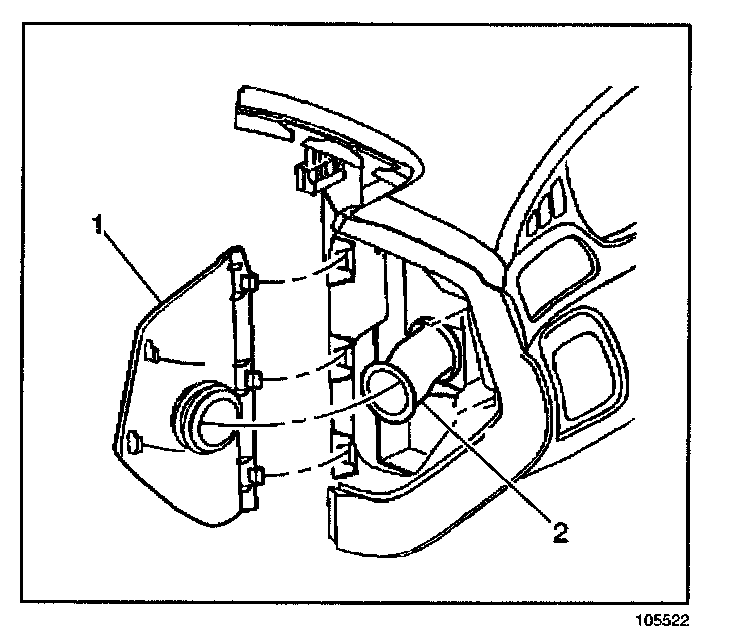
Inside Air Temperature Sensor Assembly Replacement (LHD)

REMOVAL PROCEDURE




1. Remove the left instrument panel end cap (1).




2. Remove the side window defroster duct (1).
3. Remove the headlamp switch.




4. Remove the fastener retaining the inside air temperature sensor assembly (1).
5. Disconnect the electrical connection to the inside temperature sensor.
6. Remove the inside air temperature sensor assembly.

INSTALLATION PROCEDURE




1. Connect the electrical connector to sensor.
2. Install the inside air temperature sensor assembly (1) into the vehicle.
3. Install the assembly retaining fastener.
4. Install the headlamp switch replacement.




5. Install the side window defroster duct (1).




6. Install the left instrument panel end cap (1).