Operation CHARM: Car repair manuals for everyone.
Manuals through 2025 now available!

Our trusted friends have launched a new website named LEMON, which has newer manuals. It also contains all the CHARM manuals.

LEMON is the spiritual successor to CHARM, I recommend you try it!

Link: lemon-manuals.la or lemon-manuals.org.ua

(Some people have issue connecting. LEMON is investigating. For now, use Firefox or change your DNS server)

Or, hide this message: temporarily or permanently

Compressor HVAC: Service and Repair

TOOLS REQUIRED
^ J 43600 ACR 2000 Air Conditioning Service Center
^ J 39400 Electronic Halogen Leak Detector

REMOVAL PROCEDURE




1. Recover the refrigerant from the system. Refer to Refrigerant Recovery and Recharging.
2. Disconnect the negative battery cable.
3. Remove the accessory drive belt.
4. Remove the front air deflector.
5. Remove the right front tire.
6. Remove the right wheelhouse extension.
7. Disconnect the brake line retaining clip from the frame in order to allow movement of the brake lines during removal of the A/C compressor.
8. Disconnect the suction hose fitting from the compressor.

IMPORTANT: Seal the A/C compressor suction and discharge ports after the hoses are removed in order to keep contaminants from entering the A/C compressor, and to keep oil from draining out of the A/C compressor during removal.

All A/C lines, hoses and components should always be sealed after component removal in order to avoid excessive moisture contamination to the A/C system during servicing.




9. Disconnect the discharge hose fitting from the compressor.




10. Disconnect the compressor electrical connector.




11. Remove the lower alternator bolt.
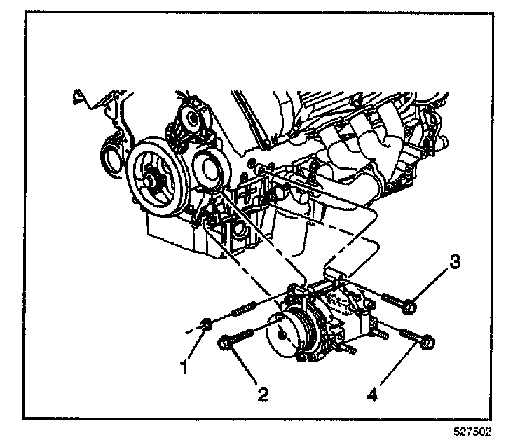
12. Remove the A/C compressor mounting fasteners (1, 2, 3, 4).




13. Remove the A/C Compressor (2) mounting stud (1).




14. Rotate the A/C compressor in order to allow the A/C compressor to exit through the wheelhouse extension opening.
15. Remove the A/C compressor.

INSTALLATION PROCEDURE




1. Balance the compressor. Refer to Compressor Oil Balancing.
2. Install the compressor through the wheelhouse extension opening.
3. Rotate the compressor in order to fit the compressor though the wheel house extension opening.




4. Install A/C compressor (2) mounting stud (1).
5. Install the lower alternator bolt.

NOTE: Refer to Fastener Notice in Service Precautions.




6. Install the A/C compressor mounting fasteners (1, 2, 3, 4) and hand tighten the fasteners.
Tighten the fasteners in the following sequence:

Tighten
6.1. Tighten the A/C compressor mounting nut (1) to 50 N.m (37 lb ft).
6.2. Tighten the A/C compressor mounting bolts (2, 3) to 50 N.m (37 lb ft).
6.3. Tighten the last A/C compressor mounting bolt (4) to 25 N.m (18 lb ft).




7. Connect the compressor electrical connector.




8. Connect the discharge hose fitting to the compressor.

Tighten
Tighten the discharge hose fitting to the compressor to 20 N.m (15 lb ft).




9. Connect the suction hose fitting to the compressor.

Tighten
Tighten the suction hose fitting to the compressor to 20 N.m (15 lb ft).

10. Connect the brake lines and the retaining clips to the frame.
11. Install the accessary drive belt.
12. Install the wheelhouse extension.
13. Install the front air deflector.
14. Install the right front tire.
15. Reconnect the negative battery cable.
16. Recharge the A/C system. Refer to Refrigerant Recovery and Recharging.
17. Leak test the fittings of the repaired or reinstalled component using J 39400.