Operation CHARM: Car repair manuals for everyone.
Manuals through 2025 now available!

Our trusted friends have launched a new website named LEMON, which has newer manuals. It also contains all the CHARM manuals.

LEMON is the spiritual successor to CHARM, I recommend you try it!

Link: lemon-manuals.la or lemon-manuals.org.ua

(Some people have issue connecting. LEMON is investigating. For now, use Firefox or change your DNS server)

Or, hide this message: temporarily or permanently

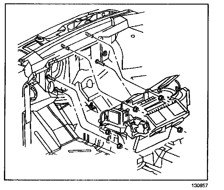
Housing Assembly HVAC: Service and Repair

HVAC MODULE ASSEMBLY REPLACEMENT

TOOLS REQUIRED
J 39400 Electronic Halogen Leak Detector

REMOVAL PROCEDURE




1. Disable the SIR system. Refer to Disabling the SIR System in Restraint Systems.
2. Recover the refrigerant from the system. Refer to Refrigerant Recovery and Recharging.
3. Disconnect the evaporator hose assembly from the evaporator core.
4. Remove the heater hoses from heater core.
5. Remove the instrument panel assembly.




6. Remove the evaporator drain.




7. Remove the defroster nozzle.




8. Remove the heater duct.




9. Remove the heater and evaporator module retaining nuts.
10. Remove the heater and evaporator module assembly.

INSTALLATION PROCEDURE




1. Install the heater and evaporator module assembly.

NOTE: Refer to Fastener Notice in Service Precautions.

2. Install the heater and evaporator module retaining nuts.

Tighten
Tighten the heater and A/C module retaining nuts to 9 N.m (80 lb in).




3. Install the heater duct.




4. Install the defroster nozzle.




5. Install the evaporator drain.
6. Install the instrument panel assembly.
7. Install the heater hoses to the heater core.
8. Connect the evaporator hose assembly to the evaporator core.

Tighten
Tighten the evaporator hose assembly to 20 N.m (15 lb ft).

9. Recharge the A/C system. Refer to Refrigerant Recovery and Recharging.
10. Leak test the fitting of the repaired or reinstalled component using J 39400.
11. Enable the SIR system. Refer to Enabling the SIR System in Restraint Systems.