Operation CHARM: Car repair manuals for everyone.
Manuals through 2025 now available!

Our trusted friends have launched a new website named LEMON, which has newer manuals. It also contains all the CHARM manuals.

LEMON is the spiritual successor to CHARM, I recommend you try it!

Link: lemon-manuals.la or lemon-manuals.org.ua

(Some people have issue connecting. LEMON is investigating. For now, use Firefox or change your DNS server)

Or, hide this message: temporarily or permanently

Sunroof Module Replacement

TOOLS REQUIRED
J 44363 Sunroof Alignment Pins

REMOVAL PROCEDURE




1. Remove the sunroof window.
2. Remove the sunshade panel.
3. Remove the headliner.
4. Disconnect the electrical harness.
5. Cut the tie wraps from the drain hoses.
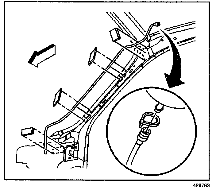
6. Disconnect the drain hoses from the sunroof module.




7. Remove the sunroof module to the roof bolts (1).
8. Remove the sunroof module from the vehicle.

INSTALLATION PROCEDURE




1. Position the sunroof module to the roof opening.
2. Hand start the sunroof module bolts (1) into the roof.
3. Insert the J 44363 into the sunroof module alignment holes (2).

NOTE: Refer to Fastener Notice in Service Precautions.

4. Secure the sunroof module to the roof.

Tighten
Tighten the sunroof module bolts (1) to 9 N.m (80 lb in).

5. Remove the J 44363.




6. Connect the drain hoses to the drain spouts on the sunroof module.

IMPORTANT: When installing the new drain hose tie wraps, position the tie wraps to maintain clearance between the tie wraps and the headliner.

7. Secure the drain hoses to the sunroof module with new tie wraps.
8. Connect the electrical harness to the sunroof module.
9. Install the sunshade.
10. Install the sunroof window and loosely install the screws.
11. Adjust the sunroof window. Refer to Sunroof Glass Height and Opening Fit Adjustment.

IMPORTANT: Test for proper operation of the sunroof before installing the headliner.

12. Install the headliner.