Operation CHARM: Car repair manuals for everyone.
Manuals through 2025 now available!

Our trusted friends have launched a new website named LEMON, which has newer manuals. It also contains all the CHARM manuals.

LEMON is the spiritual successor to CHARM, I recommend you try it!

Link: lemon-manuals.la or lemon-manuals.org.ua

(Some people have issue connecting. LEMON is investigating. For now, use Firefox or change your DNS server)

Or, hide this message: temporarily or permanently

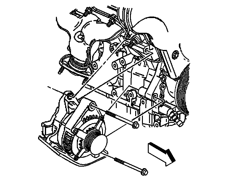
Alternator: Service and Repair

GENERATOR REPLACEMENT (LA3, LY9)

REMOVAL PROCEDURE
1. Disconnect the battery negative cable.
2. Remove the intake air resonator.
3. Remove the drive belt tensioner.




4. Remove the generator mounting bolts.
5. Lift the generator off of the mounting features on the engine in order to gain access to the connector and the generator output BAT terminal nut.




6. Disconnect the wiring harness connector (2) from the generator (1).




7. Reposition the protective boot from the generator output BAT terminal for access.
8. Remove the generator output BAT terminal nut (1) and disconnect the battery positive lead (2) from the generator.
9. Remove the generator from the engine.

INSTALLATION PROCEDURE
1. Position the generator near the wiring harness connector and the battery positive lead.




2. Connect the battery positive lead (2) to the generator and install the generator output BAT terminal nut (1).

NOTE: Refer to Fastener Notice in Service Precautions.

Tighten
Tighten the generator output BAT terminal nut to 12.5 N.m (111 lb in).

3. Press the protective boot on to the generator output BAT terminal.





4. Connect the wiring harness connector (2) to the generator (1).




5. Position the generator to the mounting features on the engine.
6. Install the generator mounting bolts.

Tighten
Tighten the generator mounting bolts to 35 N.m (26 lb ft).

7. Install the drive belt tensioner.
8. Install the intake air resonator.
9. Connect the battery negative cable.