Operation CHARM: Car repair manuals for everyone.
Manuals through 2025 now available!

Our trusted friends have launched a new website named LEMON, which has newer manuals. It also contains all the CHARM manuals.

LEMON is the spiritual successor to CHARM, I recommend you try it!

Link: lemon-manuals.la or lemon-manuals.org.ua

(Some people have issue connecting. LEMON is investigating. For now, use Firefox or change your DNS server)

Or, hide this message: temporarily or permanently

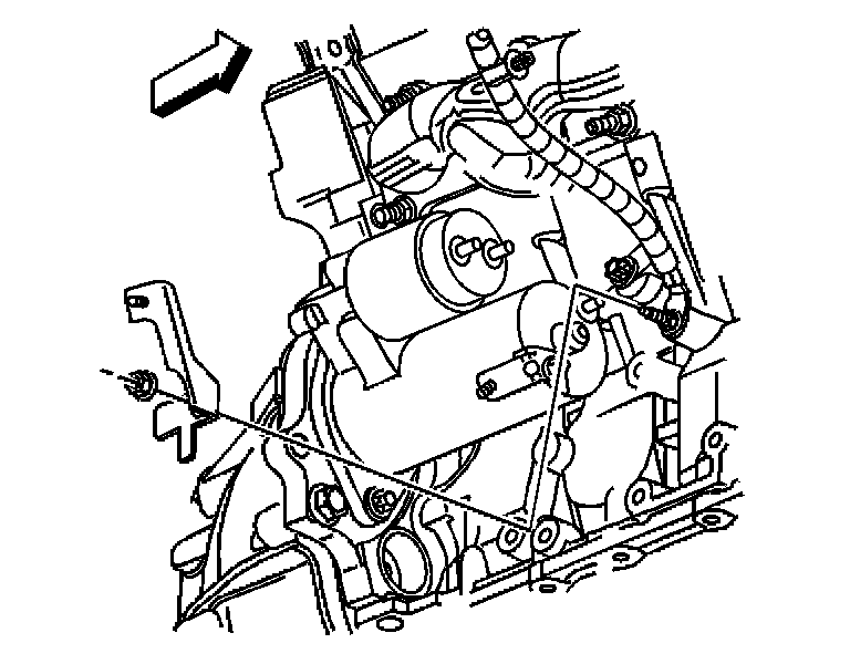
Starter Heat Shield: Service and Repair

STARTER SHIELD REPLACEMENT (LA3, LY9)

REMOVAL PROCEDURE
1. Disconnect the battery negative cable.
2. Remove the right catalytic converter.




3. Remove the fasteners securing the starter heat shield to the starter.
4. Remove the starter heat shield.




5. Remove the nut securing the starter heat shield mounting bracket to the starter.
6. Remove the starter heat shield mounting bracket.




7. Remove the nut securing the starter heat shield mounting bracket to the engine block.
8. Remove the starter heat shield mounting bracket.

INSTALLATION PROCEDURE




1. Install the starter heat shield mounting bracket to the stud located at the engine block.
2. Install the nut securing the starter heat shield mounting bracket to the engine block.

NOTE: Refer to Fastener Notice in Service Precautions.

Tighten
Tighten the starter heat shield mounting bracket nut to 8 N.m (71 lb in).




3. Install the starter heat shield mounting bracket to the stud located at the rear of the starter motor.
4. Install the nut securing the starter heat shield mounting bracket to the starter.

Tighten
Tighten the starter heat shield mounting bracket nut to 8 N.m (71 lb in).




5. Position the starter heat shield to the starter motor and brackets.
6. Install the fasteners securing the starter heat shield to the starter motor and brackets.

Tighten
Tighten the starter heat shield fasteners to 8 N.m (71 lb in).

7. Install the right catalytic converter.
8. Connect the battery negative cable.