Operation CHARM: Car repair manuals for everyone.
Manuals through 2025 now available!

Our trusted friends have launched a new website named LEMON, which has newer manuals. It also contains all the CHARM manuals.

LEMON is the spiritual successor to CHARM, I recommend you try it!

Link: lemon-manuals.la or lemon-manuals.org.ua

(Some people have issue connecting. LEMON is investigating. For now, use Firefox or change your DNS server)

Or, hide this message: temporarily or permanently

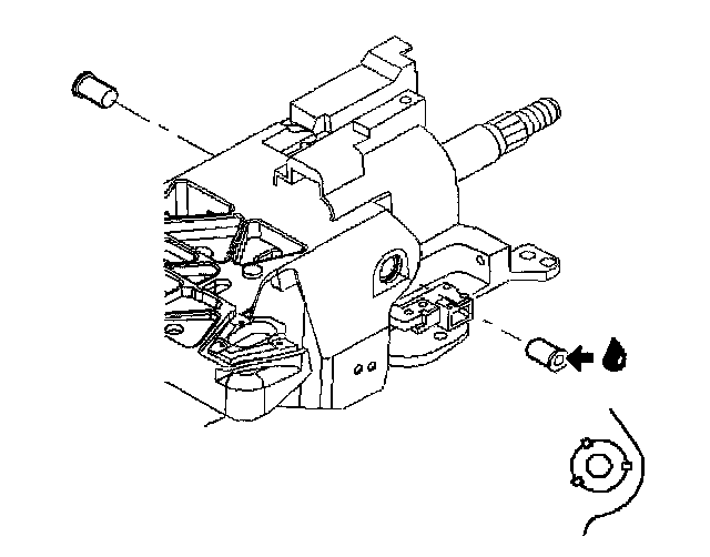
Steering Wheel Position Sensor Replacement

Steering Wheel Position Sensor Replacement

^ Tools Required
- J 21854-01 Pivot Pin Remover

Removal Procedure

Caution: Refer to SIR Caution in Service Precautions.

1. Disable the inflatable restraint steering wheel module.
2. Remove the turn signal switch housing.
3. Remove the tilt spring only.





4. Remove 2 pivot pins (1) from the steering column support assembly using J21854-01.





5. Remove the boot seal (5).
6. If sensor not present, remove the following:
6.1. The steering shaft seal (4)
6.2. The sensor retainer (3)
7. If sensor is present, remove the following
7.1. The sensor locator (2)
7.2. The sensor assembly (1)

Installation Procedure





1. If sensor is not present, install the following:
1.1. The sensor retainer (3)
1.2. The steering shaft seal (4)
2. If sensor is present, install the following
2.1. The sensor assembly (1) The sensor assembly must be aligned to the 9 o'clock position.
2.2. The sensor local (2)
3. Install the boot seal (5)





4. Install the steering shaft assembly (2) into the steering column tilt head assembly (1).





5. Install the tilt head assembly (1) and the steering shaft (3) into the steering column jacket assembly (2).

Important: Replace the steering column support assembly if the steering column support assembly has been staked 3 times.





6. Lubricate the pivot pins with synthetic grease. Install the 2 pivot pins onto the steering column support assembly. Stake the pins in 3 places.
7. Install the tilt spring assembly only.

Caution: Refer to SIR Inflator Module Coil Caution in Service Precautions.

8. Install the turn signal switch housing.
9. Enable the inflatable restraint steering wheel module.