Operation CHARM: Car repair manuals for everyone.
Manuals through 2025 now available!

Our trusted friends have launched a new website named LEMON, which has newer manuals. It also contains all the CHARM manuals.

LEMON is the spiritual successor to CHARM, I recommend you try it!

Link: lemon-manuals.la or lemon-manuals.org.ua

(Some people have issue connecting. LEMON is investigating. For now, use Firefox or change your DNS server)

Or, hide this message: temporarily or permanently

Compressor Replacement

COMPRESSOR REPLACEMENT

TOOLS REQUIRED
J 39400-A Halogen Leak Detector

REMOVAL PROCEDURE
1. Recover the refrigerant from the system.
2. Disconnect the negative battery cable.
3. Remove the accessory drive belt.
4. Raise and support the vehicle. Refer to Vehicle Lifting.
5. Remove the right front tire.
6. Remove the front air deflector.
7. Remove the right fascia extension.
8. Disconnect the brake line retaining clips from the engine frame in order to allow the brake lines to move during removal of the A/C compressor.




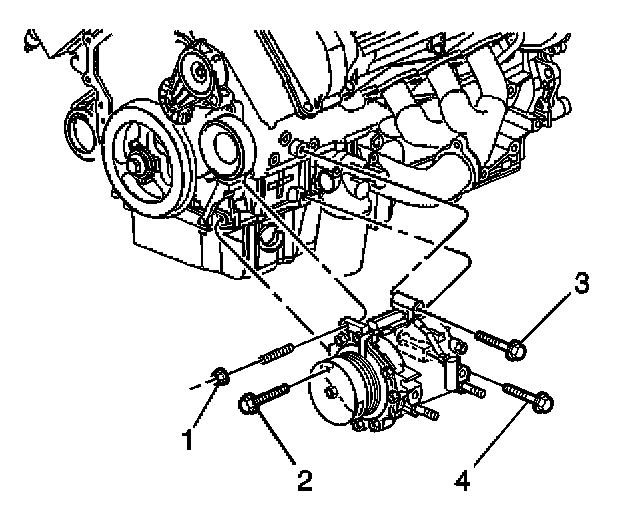
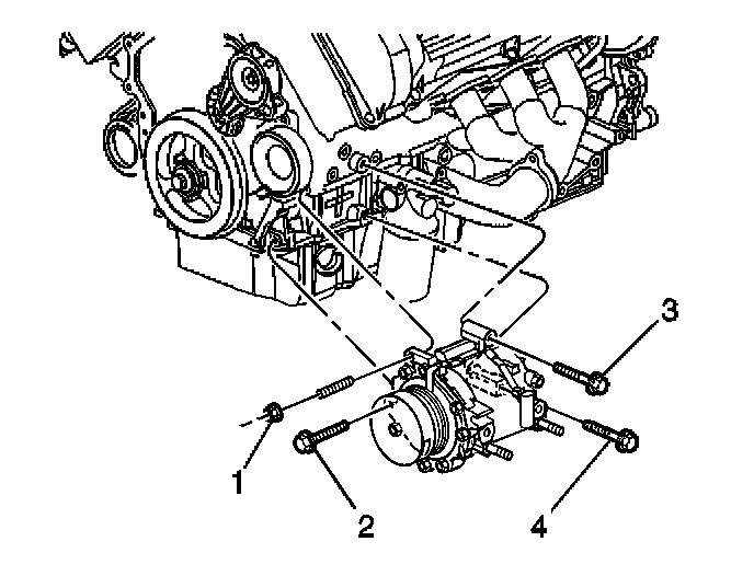
9. Remove the nut (2) from the discharge hose (3) and disconnect the discharge hose (3) from the A/C compressor.

IMPORTANT: Seal the A/C compressor suction and discharge ports after the hoses are removed in order to keep contaminants from entering the A/C compressors and oil from draining out of the A/C compressor during removal.




10. Remove the nut (2) from the suction hose (1) and disconnect the suction hose fitting (1) from the A/C compressor.




11. Disconnect the A/C compressor electrical connector.




12. Remove the A/C compressor mounting fasteners (1, 2, 3, 4).




13. Remove the A/C compressor (2) mounting stud (1).




14. Rotate the A/C compressor in order to allow the A/C compressor to exit through the wheelhouse opening.
15. Remove the A/C compressor from the vehicle.

IMPORTANT: If replacing the compressor, balance the compressor oil.

INSTALLATION PROCEDURE




1. Install the A/C compressor through the wheelhouse opening.




2. Position the A/C compressor (2) on the mounting surface.
3. Install the A/C compressor mounting stud (1) through the appropriate compressor mounting boss.




4. Install the A/C compressor mounting fasteners (1, 2, 3, 4) and hand tighten the fasteners.

NOTE: Refer to Fastener Notice in Service Precautions.

5. Tighten the fasteners in the following sequence:

Tighten
1. Tighten the A/C compressor mounting stud nut (1) to 50 N.m (37 lb ft).
2. Tighten the upper rear A/C compressor mounting bolt (3) to 50 N.m (37 lb ft).
3. Tighten the front A/C compressor mounting bolt (2) to 50 N.m (37 lb ft).
4. Tighten the last lower rear A/C compressor mounting bolt (4) to 25 N.m (18 lb ft).




5. Connect the A/C compressor electrical connector.

IMPORTANT: Inspect the seal washers for damage before reinstalling the A/C lines. If any damage is noted during inspection, the suspect seal must be replaced. Flat washer type seals do not require lubrication.




6. Connect the suction hose (1) to the A/C compressor.
7. Install the suction hose nut (2) to the A/C compressor.

Tighten
Tighten the nut to 16 N.m (12 lb ft).




8. Connect the discharge hose (3) to compressor.
9. Install the discharge hose nut (2).

Tighten
Tighten the nut to 16 N.m (12 lb ft).

10. Reconnect the brake line retaining clips to the frame.
11. Install the accessory drive belt.
12. Install the fascia extension.
13. Install the front air deflector.
14. Reinstall the right front tire.
15. Lower the vehicle. Refer to Vehicle Lifting.
16. Connect the negative battery cable.
17. Recharge the A/C system. Refer to Refrigerant Recovery and Recharging.
18. Leak test the fittings of the component using J 39400.