Operation CHARM: Car repair manuals for everyone.
Manuals through 2025 now available!

Our trusted friends have launched a new website named LEMON, which has newer manuals. It also contains all the CHARM manuals.

LEMON is the spiritual successor to CHARM, I recommend you try it!

Link: lemon-manuals.la or lemon-manuals.org.ua

(Some people have issue connecting. LEMON is investigating. For now, use Firefox or change your DNS server)

Or, hide this message: temporarily or permanently

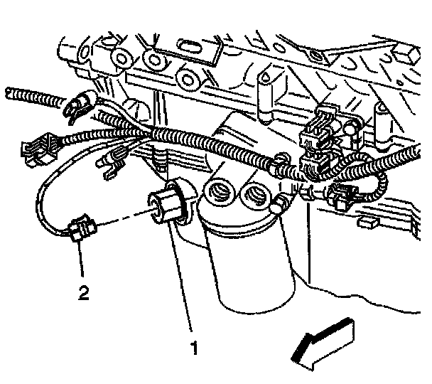
Oil Level Sensor: Service and Repair

Engine Oil Level Sensor and/or Switch Replacement

Removal Procedure





1. Drain the engine oil.
2. Disconnect the electrical connector (2) from the engine oil level sensor (1).
3. Remove the engine oil level sensor (1) from the oil pan.

Installation Procedure





Notice: Refer to Component Fastener Tightening Notice in Service Precautions.

1. Install the engine oil level sensor (1) into the oil pan.
^ Tighten the engine oil level sensor to 20 Nm (15 ft. lbs.).
2. Connect the electrical connector (2) to the engine oil level sensor (1).
3. Fill the engine oil.
4. Inspect for oil leaks after engine start up.