Operation CHARM: Car repair manuals for everyone.
Manuals through 2025 now available!

Our trusted friends have launched a new website named LEMON, which has newer manuals. It also contains all the CHARM manuals.

LEMON is the spiritual successor to CHARM, I recommend you try it!

Link: lemon-manuals.la or lemon-manuals.org.ua

(Some people have issue connecting. LEMON is investigating. For now, use Firefox or change your DNS server)

Or, hide this message: temporarily or permanently

Intake Manifold: Service and Repair

Intake Manifold Replacement

Removal Procedure





1. Remove the 2 nuts (2) from the intake manifold sight shield (1).
2. Remove the sight shield (1) from the engine.





3. Disconnect the coil module connectors (1) from the coil modules (2) located in the camshaft covers (3).





4. Disconnect the PCV dirty air tube (2) from the camshaft cover.





5. Disconnect the PCV fresh air tube (1) from the camshaft cover.





6. Disconnect the fuel regulator vacuum tube (1)
7. Disconnect the vacuum tubes (2) from the AIF solenoid.





8. Disconnect the fuel inlet and return quick-correct fittings (2) at the fuel rail.
9. Disconnect the fuel rail bracket retaining nut (1) at the rear lift bracket.





10. Remove the 2 pushnuts securing the engine coolant heater wire (1) and position aside (if equipped).





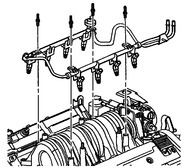
11. Disconnect the 8 electrical connectors (1) from the 8 fuel injectors (2).





12. Remove the 4 bolts (1) attaching the fuel rail (2) to the intake manifold (3).





13. Lift the entire fuel rail and injector assembly from the intake manifold.





14. Loosen the plenum duct clamp (1) at the rear of the intake manifold.





15. Remove 10 bolts attaching the intake manifold (1) to the cylinder heads.





16. Remove the intake manifold (1) by using an upward lifting motion at the front of the manifold assembly.
17. Clean and inspect the intake manifold.

Installation Procedure





1. Lightly grease the inside edge of the rubber plenum duct.





2. Clean any debris from the cylinder head or intake manifold.
3. Install the new gaskets to the intake manifold.

Important: Ensure the PCV valve hose is firmly connected to the fitting at the front of the intake manifold, prior to installation.

4. Place the intake manifold in position by completing the following:
4.1. Position the rear of the intake manifold (1) into the plenum duct (2).
4.2. Position the front of the intake manifold (1) downward on to the cylinders heads.





5. Loosely install the 10 bolts attaching the intake manifold (1) to the cylinder heads.





Notice: Refer to Fastener Notice in Service Precautions.

6. Tighten the intake manifold bolts in sequence (1-10).
^ Tighten the intake manifold bolts to 10 Nm (89 inch lbs.).





7. Ensure that the plenum duct is fully attached to the rear of the intake manifold.
^ Tighten the plenum duct clamp (1) to 2.25 Nm (20 inch lbs.).





8. Lubricate the intake manifold fuel injector bores with light mineral oil GM P/N 9981704, clean engine oil, or equivalent.

Important: DO NOT force the injectors into position.

9. Install the entire fuel rail and injector assembly into the intake manifold by pressing the fuel rail and injector simultaneously into the correct position.





10. Install the 4 bolts (1) attaching the fuel rail (2) to the intake manifold (3).
^ Tighten the fuel rail bolts to 10 Nm (89 inch lbs.).





11. Connect the 8 electrical connectors (1) to the 8 fuel injectors (2).





12. Position the engine coolant heater wire (1) or to the fuel rail studs (if equipped).
13. Install the 2 pushnuts.





14. Install the fuel rail bracket retaining nut (1) to he rear lift bracket.
^ Tighten the fuel rail bracket retaining nut (1) to 10 Nm (89 inch lbs.).
15. Install the quick connect fittings to the fuel rail





16. Connect the vacuum tubes (2) to the AIR solenoid.
17. Connect the fuel regulator vacuum tube (1).





18. Connect the PCV fresh air tube (1) to the camshaft cover.





19. Connect the PCV dirty air tube (2) to the camshaft cover.





20. Connect the coil module connectors (1) to the coil modules (2) located in the camshaft covers (3).
21. To clean, turn the ignition switch to the ON position for 2 seconds, then turn to the OFF position for 10 seconds. Again turn to the ON position and check for fuel leaks.





22. Position the intake manifold sight shield (1) to the engine.
23. Install the 2 intake manifold sight shield nuts 2).
^ Tighten the nuts to 3 Nm (27 inch lbs.).