Operation CHARM: Car repair manuals for everyone.
Manuals through 2025 now available!

Our trusted friends have launched a new website named LEMON, which has newer manuals. It also contains all the CHARM manuals.

LEMON is the spiritual successor to CHARM, I recommend you try it!

Link: lemon-manuals.la or lemon-manuals.org.ua

(Some people have issue connecting. LEMON is investigating. For now, use Firefox or change your DNS server)

Or, hide this message: temporarily or permanently

Front Wheel Alignment

Front Caster Adjustment





1. Remove the top strut mounting bolts.
2. Lift the front of the vehicle by the body to separate the strut from the inner wheel house. Refer to Vehicle Lifting.





3. Using a round file, enlarge the bolt hole opening in the strut tower at the front and rear of the strut mounting holes on the left and right strut towers.
4. Pull out the guide pins.
5. File the excess metal to make the slotted holes.
6. Paint the exposed metal with rust preventive paint or primer.
7. Lower the front of the vehicle.
8. Install the strut attaching bolts, but do not tighten them at this time.
9. Adjust the caster by moving the top of the strut forward or rearward. A 1 mm (0.040 inch) position change at the tower is about equal to 0.1 degree change in caster. Set the caster to the required specification.

Notice: Refer to Fastener Notice in Service Precautions.

10. Tighten the strut tower bolts.
^ Tighten the strut mounting bolts to 40 Nm (30 ft. lbs.).
11. Recheck the caster setting after tightening.
12. Readjust the caster setting if necessary.

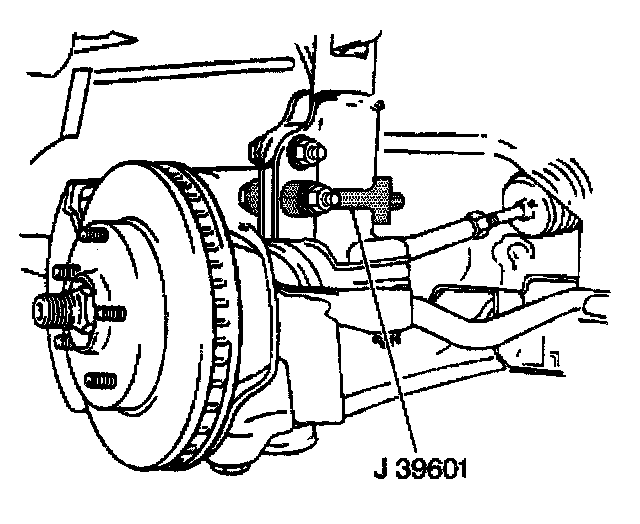
Front Camber Adjustment
^ Tools Required
- J 39601 Camber Adjustment Tool

1. Raise and support the vehicle. Refer to Vehicle Lifting.
2. Remove the tires and wheels.

Important: Do not allow bolts to turn this will ruin the serrated shoulder.

3. Tap out the upper and lower bolt and nut from the strut and knuckle.
4. Separate the strut from the knuckle.

Important: It is necessary to grind the lower bolt hole on the strut to achieve proper camber setting.

If camber specification is not achieved by this procedure check for bent or worn parts.

5. Using a round file or a die grinder file the inner metal plate to the outside plates diameter.
6. File excess metal to make the slotted holes.
7. Paint the exposed metal with rust preventive paint or primer.
8. Install the strut to the knuckle.
9. Loosely install the retainers that attach the strut to the steering knuckle.





Notice: Refer to Fastener Notice in Service Precautions.

10. Using J 39601 set camber to specification.
^ Tighten the upper strut to knuckle nut to 147 Nm (108 ft. lbs.).

11. Remove the J 39601 camber adjustment tool.
^ Tighten the lower strut to knuckle nut to 147 Nm (108 ft. lbs.).
12. Replace the tire and wheel.
13. Lower the vehicle.
14. Perform a wheel alignment.

Front Toe Adjustment





1. Loosen the jam nuts (1) on the tie rod.

Notice: Care must be taken so that the boots are not twisted when rotating the inner tie rod, or damage to the boots may result.

2. Rotate the inner tie rod to the required toe specification setting.

Notice: Refer to Fastener Notice in Service Precautions.

3. Tighten the jam nuts on the tie rods.
^ Tighten the jam nuts to 64 Nm (47 ft. lbs.).
4. Recheck the toe settings after tightening the jam nuts.
5. Readjust the toe setting if necessary.

Rear Toe Adjustment

Important: Complete the left and right rear toe adjustments separately, per wheel. Use the following procedure.





1. Loosen the cam nut (1) on the adjustment link.

Notice: Refer to Fastener Notice in Service Precautions.

2. In order to adjust the toe, rotate the cam bolt using an 18 mm socket.
^ Tighten the cam nut to 75 Nm (55 ft. lbs.).