Operation CHARM: Car repair manuals for everyone.
Manuals through 2025 now available!

Our trusted friends have launched a new website named LEMON, which has newer manuals. It also contains all the CHARM manuals.

LEMON is the spiritual successor to CHARM, I recommend you try it!

Link: lemon-manuals.la or lemon-manuals.org.ua

(Some people have issue connecting. LEMON is investigating. For now, use Firefox or change your DNS server)

Or, hide this message: temporarily or permanently

Vehicle Speed Sensor: Service and Repair

Vehicle Speed Sensor (VSS) Replacement
Removal Procedure
1. Raise the vehicle.





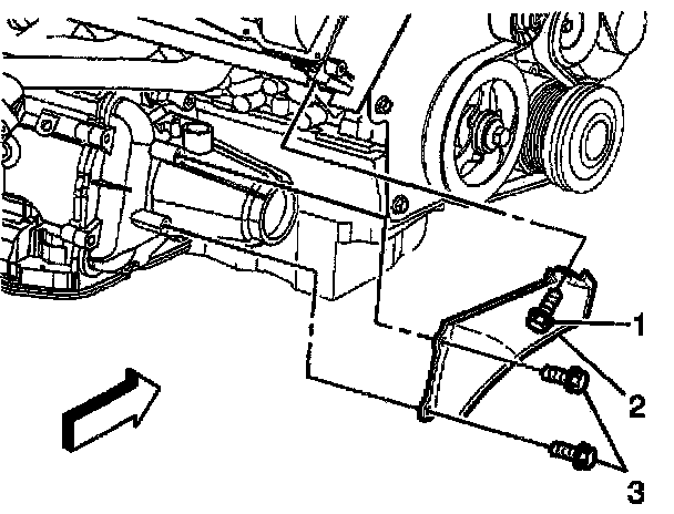
2. Remove the bolts (1, 3) securing the front transaxle brace (2) to the transaxle and right cylinder head.
3. Remove the electrical connector at the vehicle speed sensor.





4. Remove the retaining bolt (131) arid the sensor (130). Twisting the sensor while pulling outward will aid in removal.

Installation Procedure

Notice: Refer to Fastener Notice in Cautions and Notices.





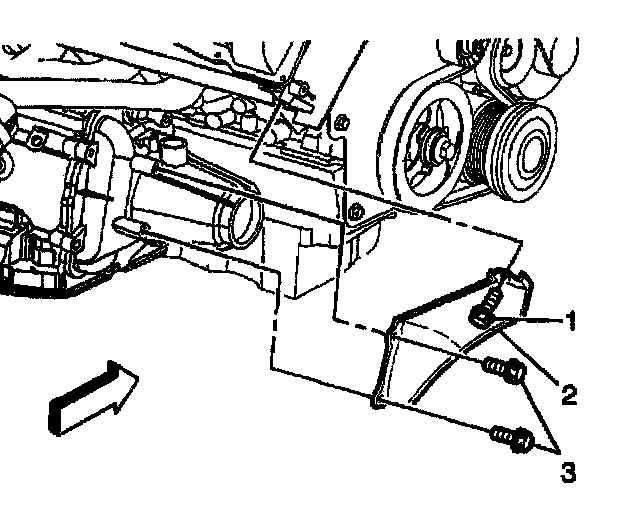
1. Install the vehicle speed sensor (130) and the retaining bolt (131). Install a new O-ring seal on sensor if necessary.
^ Tighten the bolt to 10 Nm (89 inch lbs.).
2. Install the electrical connector at the sensor.





3. Install the bolts (1, 3) securing the front transaxle brace (2) to the transaxle and right cylinder head.
4. Lower the vehicle.