Operation CHARM: Car repair manuals for everyone.
Manuals through 2025 now available!

Our trusted friends have launched a new website named LEMON, which has newer manuals. It also contains all the CHARM manuals.

LEMON is the spiritual successor to CHARM, I recommend you try it!

Link: lemon-manuals.la or lemon-manuals.org.ua

(Some people have issue connecting. LEMON is investigating. For now, use Firefox or change your DNS server)

Or, hide this message: temporarily or permanently

Replacement Procedure (RHD)

BATTERY POSITIVE CABLE REPLACEMENT (RHD)

REMOVAL PROCEDURE
- Always use replacement cables that are of the same type, diameter and length of the cables that you are replacing.
- Always route the replacement cable the same way as the original cable.

1. Disconnect the battery negative cable.




2. Disconnect the battery positive cable from the battery.




3. Remove the surge tank inlet hose from the retaining feature of the underhood fuse block cover.




4. Depress the tabs in order to remove the underhood fuse block cover from the underhood fuse block.




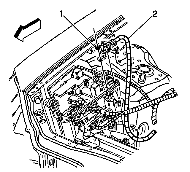
5. Remove the nut (1) securing the battery positive cable (2) to the underhood fuse block.
6. Remove the starter heat shield.




7. Reposition the protective boot from the generator output BAT terminal for access.
8. Remove the generator output BAT terminal nut (1) and disconnect the battery positive lead (2) from the generator.




9. Remove the starter terminal nut (2) and disconnect the battery positive cable (1) from the starter.
10. Lower the vehicle.




11. Disconnect the cable harness clip (2) from the lift bracket.




12. Disconnect the cable harness clips (2) from the rear bracket and vent housing.
13. Remove the battery positive cable (1) from the engine.

INSTALLATION PROCEDURE




1. Position the battery positive cable (1) to the engine. Connect the cable harness clips (2) to the rear bracket and vent housing.




2. Connect the cable harness clip (2) to the lift bracket.
3. Raise and support the vehicle. Refer to Vehicle Lifting.

NOTE: Refer to Fastener Notice in Service Precautions.




4. Connect the battery positive cable (1) to the starter and install the starter terminal nut (2).

Tighten
Tighten the battery positive cable to starter terminal nut to 12.5 N.m (111 lb in).




5. Connect the battery positive lead (2) to the generator and install the generator output BAT terminal nut (1).

Tighten
Tighten the generator output BAT terminal nut to 12.5 N.m (111 lb in).

6. Press the protective boot on to the generator output BAT terminal.
7. Install the starter heat shield.
8. Lower the vehicle.




9. Install the nut (1) securing the battery positive cable (2) to the underhood fuse block.

Tighten
Tighten the battery positive cable to underhood fuse block nut to 15 N.m (11 lb ft).




10. Install the underhood fuse block cover to the underhood fuse block.




11. Position the surge tank inlet hose to the retaining feature of the underhood fuse block cover.




12. Connect the battery positive cable to the battery.

Tighten
Tighten the battery cable to 17 N.m (13 lb ft).

13. Connect the battery negative cable.