Operation CHARM: Car repair manuals for everyone.
Manuals through 2025 now available!

Our trusted friends have launched a new website named LEMON, which has newer manuals. It also contains all the CHARM manuals.

LEMON is the spiritual successor to CHARM, I recommend you try it!

Link: lemon-manuals.la or lemon-manuals.org.ua

(Some people have issue connecting. LEMON is investigating. For now, use Firefox or change your DNS server)

Or, hide this message: temporarily or permanently

Positive: Service and Repair

BATTERY POSITIVE CABLE REPLACEMENT

REMOVAL PROCEDURE

IMPORTANT:
- Always use replacement cables that are of the same type, diameter and length of the cables that you are replacing.
- Always route the replacement cable the same as the original cable.

1. Disconnect the battery negative cable.




2. Disconnect the battery positive cable from the battery.




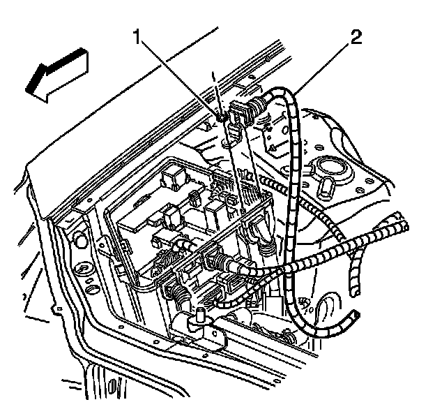
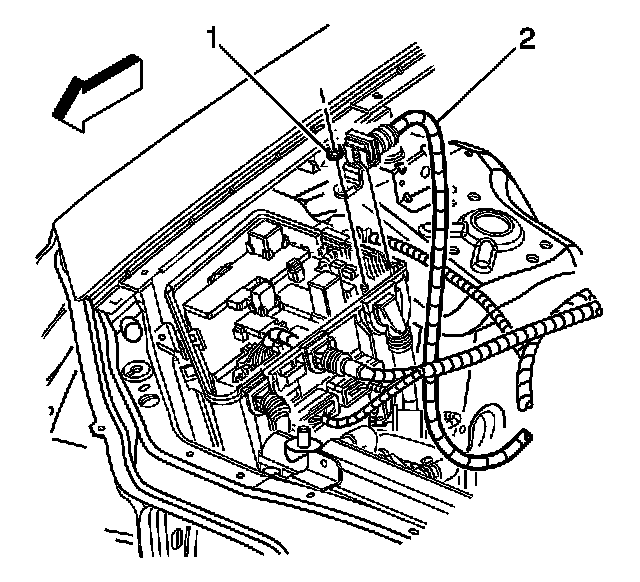
3. Depress the tabs in order to remove the cover from the electrical center.




4. Remove the nut (1) securing the battery positive cable (2) to the electrical center.




5. Reposition the protective boot from the generator output BAT terminal for access.
6. Remove the generator output BAT terminal nut (3) and disconnect the battery positive lead (2) from the generator.




7. Remove the starter terminal nut (1) and disconnect the battery positive cable (2) from the starter.
8. Lower the vehicle.
9. Remove the battery positive cable from the engine.

INSTALLATION PROCEDURE
1. Position the battery positive cable to the engine.
2. Raise and support the vehicle.

NOTE: Refer to Fastener Notice in Service Precautions.




3. Connect the battery positive cable (2) to the starter and install the starter terminal nut (1).

Tighten
Tighten the battery positive cable nut to 13 N.m (115 lb in).




4. Connect the battery positive lead (2) to the generator and install the generator BAT terminal nut (3).

Tighten
Tighten the generator BAT terminal nut to 13 N.m (115 lb in).

5. Install the protective boot to the generator output BAT terminal.
6. Lower the vehicle.




7. Install the nut (1) securing the battery positive cable (2) to the electrical center.

Tighten
Tighten the battery positive cable to electrical center nut to 15 N.m (11 lb ft).




8. Install the electrical center cover.




9. Connect the battery positive cable to the battery.

Tighten
Tighten the battery cable to 17 N.m (13 lb ft).

10. Connect the battery negative cable.