Operation CHARM: Car repair manuals for everyone.
Manuals through 2025 now available!

Our trusted friends have launched a new website named LEMON, which has newer manuals. It also contains all the CHARM manuals.

LEMON is the spiritual successor to CHARM, I recommend you try it!

Link: lemon-manuals.la or lemon-manuals.org.ua

(Some people have issue connecting. LEMON is investigating. For now, use Firefox or change your DNS server)

Or, hide this message: temporarily or permanently

Timing Chain: Service and Repair

Timing Chain and Sprockets Replacement

Tools Required
^ J8433-1 Two Jaw Puller
^ J41558 Crankshaft Sprocket Remover
^ J41816-2Crankshaft End Protector
^ J41665 Crankshaft Balancer and Sprocket Installer

Removal Procedure

Notice: Do not turn the crankshaft assembly after the timing chain has been removed in order to prevent damage to the piston assemblies or the valves.





1. Remove the oil pump.
2. Remove the camshaft sprocket bolts.
3. Remove the camshaft sprocket and timing chain.
4. Remove the chain guide bolts and remove the chain guide.





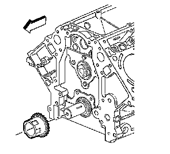
5. Use the J8433, J41816-2 and J41558 in order to remove the crankshaft sprocket.





6. Remove the crankshaft sprocket.





7. Remove the crankshaft sprocket key (if required).
8. Clean and inspect the timing chain and sprockets.

Installation Procedure





1. Install the key into the crankshaft keyway (if previously removed).





2. Tap the key (1) into the keyway until both ends of the key bottom onto the crankshaft.





3. Install the crankshaft sprocket onto the front of the crankshaft. Align the crankshaft key with the crankshaft sprocket keyway.





4. Use the J41665 in order to install the crankshaft sprocket. Install the sprocket onto the crankshaft until fully seated against the crankshaft flange.
5. Rotate the crankshaft sprocket until the alignment mark is in the 12 o'clock position.
6. Install the chain guide.

Notice: Refer to Fastener Notice in Service Precautions.

7. Install the chain guide bolts.

Tighten the chain guide bolts to 35 Nm (26 ft. lbs.).






8. Important:
^ Properly locate the camshaft sprocket locating pin with the camshaft sprocket alignment hole.
^ The sprocket teeth and timing chain must mesh.
^ The camshaft and the crankshaft sprocket alignment marks MUST be aligned correctly. Locate the camshaft sprocket alignment mark in the 6 o'clock position.
Install the camshaft sprocket and timing chain.





9. If necessary, rotate the camshaft or crankshaft sprockets in order to align the timing marks.
10. Install the camshaft sprocket bolts.
Tighten the camshaft sprocket bolts to 35 Nm (26 ft. lbs.).
11. Install the oil pump.