Operation CHARM: Car repair manuals for everyone.
Manuals through 2025 now available!

Our trusted friends have launched a new website named LEMON, which has newer manuals. It also contains all the CHARM manuals.

LEMON is the spiritual successor to CHARM, I recommend you try it!

Link: lemon-manuals.la or lemon-manuals.org.ua

(Some people have issue connecting. LEMON is investigating. For now, use Firefox or change your DNS server)

Or, hide this message: temporarily or permanently

Inflatable Sensing and Diagnostic Module Replacement (D07)

REMOVAL PROCEDURE
1. Disable the SIR system. Refer to SIR Disabling and Enabling Zone 8.

CAUTION:
- Do not strike or jolt the inflatable restraint sensing and diagnostic module (SDM). Before applying power to the SDM, make sure that it is securely fastened with the arrow facing toward the front of the vehicle. Failure to observe the correct installation procedure could cause SIR deployment, personal injury, or unnecessary SIR system repairs.
- If the vehicle interior is exposed to moisture and becomes soaked up to the level of the sensing and diagnostic module (SDM), the SDM and SDM harness connector must be replaced. The SDM could be activated when powered, which could cause airbag deployment and result in personal injury.


2. Remove the center console.




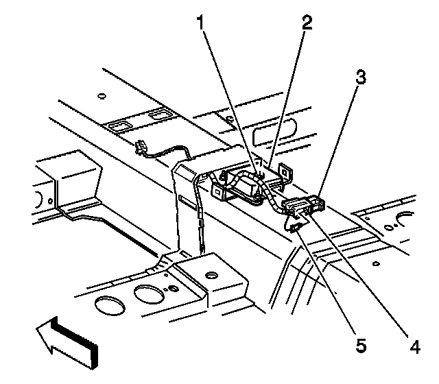
3. Remove the connector position assurance (CPA) (1) from the inflatable restraint sensing and diagnostic module (SDM) wiring harness connector (2).

IMPORTANT: Once the center console is removed, the inflatable restraint sensing and diagnostic module (SDM) will be serviced through a pre-slit in the carpeting.

4. Push down flex lock button (3) and then move sliding connector locking cover (4) to the open position.




5. Remove push-on clip (1) securing SDM wiring harness to console stud.

IMPORTANT: The inflatable restraint sensing diagnostic module (SDM) is shown with the carpet removed for illustration purposes only. Removal of the front carpet and/or the front seats is not necessary to service the SDM

6. Disconnect the SDM wiring harness connector (3) from the SDM (2).




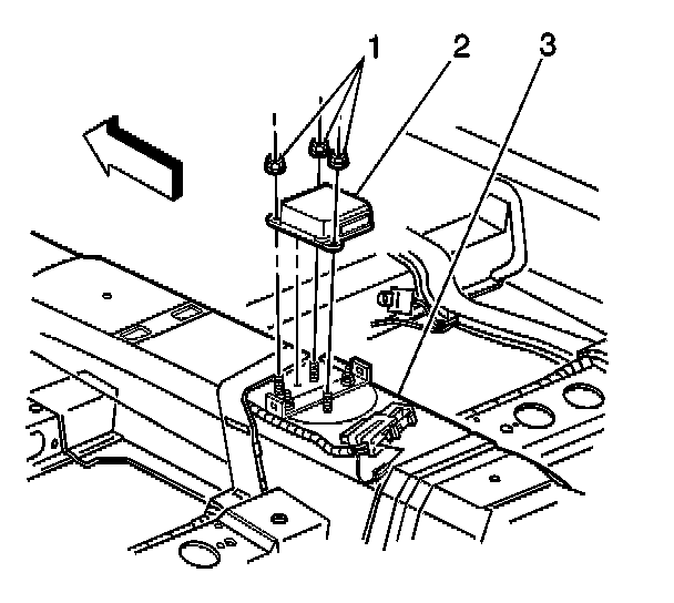
7. Remove the SDM mounting fasteners (1).
8. Remove the SDM (2) from the console floor (3).

INSTALLATION PROCEDURE




1. Remove any dirt, grease, or other impurities from the mounting surface.
2. Install the SDM (2) to console floor (3).
3. Point the arrow on the SDM toward the front of the vehicle.
4. Install the SDM mounting fasteners (1).

NOTE: Refer to Fastener Notice in Service Precautions.

Tighten
Tighten fasteners to 9 N.m (80 lb in).




5. Connect the SDM wiring harness connector (3) to the SDM (2).
6. Install push-on clip (1) securing SDM wiring harness to console stud.




7. Push down flex lock button (3) and then move sliding connector locking cover (4) to the close position.
8. Install the CPA (1) to the inflatable restraint sensing and diagnostic module (SDM) wiring harness connector (2).
9. Install the console.
10. Install the driver and passenger seat to the original position.
11. Enable the SIR system. Refer to SIR Disabling and Enabling Zone 8.
12. After replacing the SDM the new SDM must be programmed into the Dash Integration Module. Programming and Relearning