Operation CHARM: Car repair manuals for everyone.
Manuals through 2025 now available!

Our trusted friends have launched a new website named LEMON, which has newer manuals. It also contains all the CHARM manuals.

LEMON is the spiritual successor to CHARM, I recommend you try it!

Link: lemon-manuals.la or lemon-manuals.org.ua

(Some people have issue connecting. LEMON is investigating. For now, use Firefox or change your DNS server)

Or, hide this message: temporarily or permanently

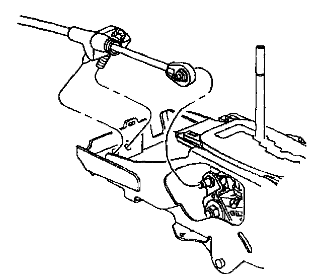
Shift Control Replacement

Shift Control Replacement

Removal Procedure





1. Remove the console trim plate.





2. Unsnap the shift cable terminal from the shifter pin.





3. Disconnect the automatic transmission shift lock actuator solenoid wire harness connector,
4. Remove the shifter fasteners.
5. Remove the shifter assembly.

Installation Procedure





1. Install the shifter assembly.

Notice: Refer to Fastener Notice in Service Preautions.

2. Install the shifter fasteners.
Tighten the shifter fasteners to 9 Nm (79 inch lbs.).





3. Insert the shift cable onto the shifter control.
4. Connect the automatic transmission shift lock solenoid wire harness connector.





5. Adjust the shift cable as follows.
5.1. Place the shifter into the N (neutral) position.
5.2. Loosen the shifter adjuster nut.
5.3. Tighten the adjuster nut.
Tighten the adjuster nut to 25 Nm (18 ft. lbs.).
6. Install the console trim plate (1).