Engine Control Module: Service and Repair
ENGINE CONTROL MODULE (ECM) REPLACEMENTREMOVAL PROCEDURE
NOTE: Turn the ignition OFF when installing or removing the PCM connectors and disconnecting or reconnecting the power to the PCM (battery cable, PCM pigtail, PCM fuse, jumper cables, etc.) in order to prevent internal PCM damage.
1. Record the Engine Oil Life Index if applicable.
2. Turn OFF the ignition.
3. Disconnect the battery negative cable.
4. Raise and support the vehicle. Refer to Vehicle Lifting.
5. Remove the front air deflector.
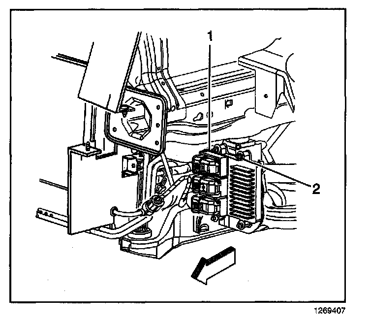
6. Disconnect the ECM electrical connectors (1).
7. Remove the ECM mounting nuts (2).
8. Remove the ECM from the vehicle.
INSTALLATION PROCEDURE
1. Install the ECM to the vehicle.
NOTE: Refer to Fastener Notice in Service Precautions.
2. Install the ECM mounting nuts (2).
Tighten
Tighten the nuts to 5 N.m (71 lb in).
3. Connect the ECM electrical connectors (1).
4. Install the front air deflector.
5. Lower the vehicle.
6. Connect the battery negative cable.
7. Program the ECM. Refer to Service Programming System (SPS) in Programming. Programming and Relearning