Operation CHARM: Car repair manuals for everyone.
Manuals through 2025 now available!

Our trusted friends have launched a new website named LEMON, which has newer manuals. It also contains all the CHARM manuals.

LEMON is the spiritual successor to CHARM, I recommend you try it!

Link: lemon-manuals.la or lemon-manuals.org.ua

(Some people have issue connecting. LEMON is investigating. For now, use Firefox or change your DNS server)

Or, hide this message: temporarily or permanently

Relay Box: Service and Repair

UNDERHOOD ELECTRICAL CENTER OR JUNCTION BLOCK REPLACEMENT

REMOVAL PROCEDURE




1. Disconnect the negative battery cable.
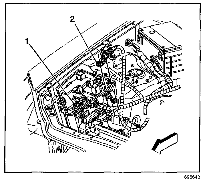
2. Remove the electrical center cover (1).




3. Remove the fastener securing the negative cable (2) to the electrical center.
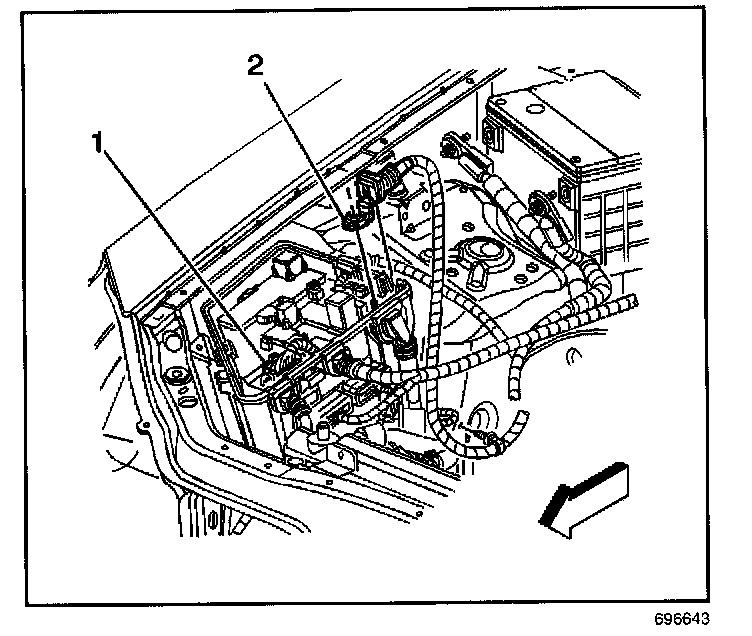
4. Disconnect the electrical connector (1).




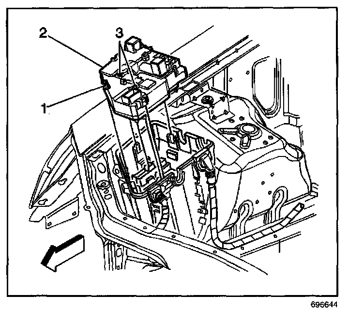
5. Remove the fasteners (3) securing the electrical center board (2).
6. Unlock the tabs (1) on the electrical center board.
7. Lift up on the electrical center board.




8. Pull upward on the harness at the locking tabs (1) in order to remove.




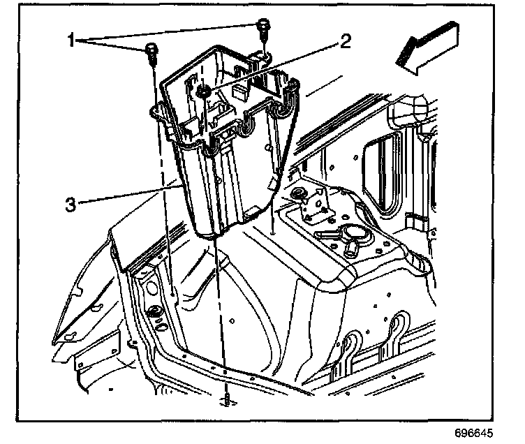
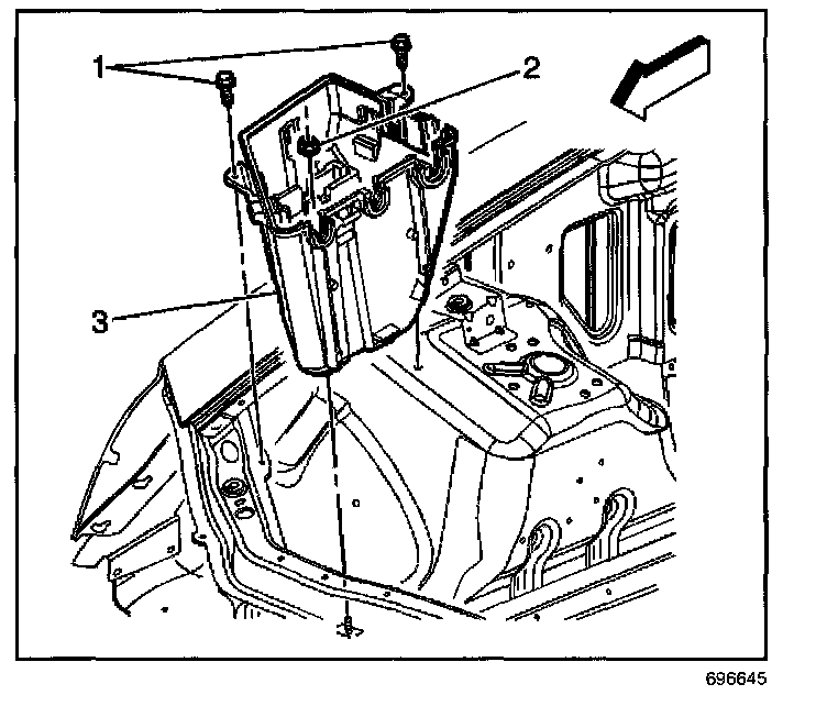
9. Remove the fasteners (1, 2) securing the electrical center (3) to vehicle.

INSTALLATION PROCEDURE

NOTE: Refer to Fastener Notice in Service Precautions.




1. Install fasteners (1 2) securing the electrical center (3) to vehicle.

Tighten
Tighten the fasteners to 10 N.m (86 lb in).




2. Install the harness at the locking tabs (1).




3. Install the fasteners (3) securing the electrical center board (2).

Tighten
Tighten the fasteners to 7 N.m (62 lb in).

4. Install the fastener securing the negative cable (2) to the electrical center.

Tighten
Tighten the fasteners to 15 N.m (11 lb ft).




5. Install the electrical center cover (1).
6. Connect the negative battery cable.