Operation CHARM: Car repair manuals for everyone.
Manuals through 2025 now available!

Our trusted friends have launched a new website named LEMON, which has newer manuals. It also contains all the CHARM manuals.

LEMON is the spiritual successor to CHARM, I recommend you try it!

Link: lemon-manuals.la or lemon-manuals.org.ua

(Some people have issue connecting. LEMON is investigating. For now, use Firefox or change your DNS server)

Or, hide this message: temporarily or permanently

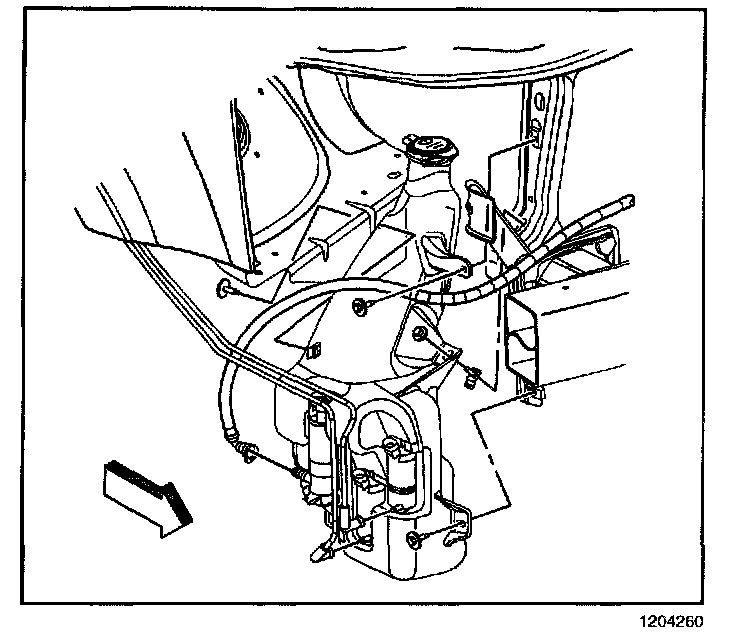
Washer Fluid Level Switch: Service and Repair

WASHER SOLVENT CONTAINER LEVEL SENSOR REPLACEMENT

REMOVAL PROCEDURE




1. Remove the lower air deflector.
2. Disconnect the electrical connector from the washer solvent level sensor switch.
3. Place a pan under the area where the level sensor will be removed in order to retain the lost solvent.
4. Drain the washer solvent into a suitable container.




5. Using 2 flat-bladed tools, pry outward the washer solvent container level sensor switch (1) from the washer solvent container.
6. Remove the washer solvent level sensor switch from the container.
7. Remove the washer solvent container level sensor grommet (3) from the washer solvent container and discard.

INSTALLATION PROCEDURE




1. Install the new washer solvent level sensor switch grommet (3) into the container.
2. Install the washer solvent level sensor switch (1) into the washer solvent container.

IMPORTANT: The square side (2) of the level sensor switch must point upward upon installation.

3. Apply equal inward pressure in order to seat the level sensor switch to the grommet.




4. Connect the electrical connector to the washer solvent level sensor switch.
5. Install the lower air deflector.
6. Fill the washer solvent container with washer solvent.