Operation CHARM: Car repair manuals for everyone.
Manuals through 2025 now available!

Our trusted friends have launched a new website named LEMON, which has newer manuals. It also contains all the CHARM manuals.

LEMON is the spiritual successor to CHARM, I recommend you try it!

Link: lemon-manuals.la or lemon-manuals.org.ua

(Some people have issue connecting. LEMON is investigating. For now, use Firefox or change your DNS server)

Or, hide this message: temporarily or permanently

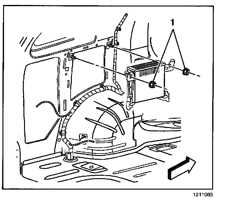
Navigation System: Service and Repair

NAVIGATION DATA PROCESSOR REPLACEMENT

REMOVAL PROCEDURE




1. Remove the left rear body side trim panel.
2. Remove the nuts (1) securing the processor to the vehicle.




3. Disconnect the electrical connectors (1,2)
4. Remove the processor.

INSTALLATION PROCEDURE




1. Connect the electrical connectors (1, 2)




2. Locate the processor the vehicle.

NOTE: Refer to Fastener Notice in Service Precautions.

3. Install the nuts (1) securing the processor to the vehicle.

Tighten
Tighten the nuts to 9 N.m (80 lb in).

4. Install the left rear body side trim panel.