Operation CHARM: Car repair manuals for everyone.
Manuals through 2025 now available!

Our trusted friends have launched a new website named LEMON, which has newer manuals. It also contains all the CHARM manuals.

LEMON is the spiritual successor to CHARM, I recommend you try it!

Link: lemon-manuals.la or lemon-manuals.org.ua

(Some people have issue connecting. LEMON is investigating. For now, use Firefox or change your DNS server)

Or, hide this message: temporarily or permanently

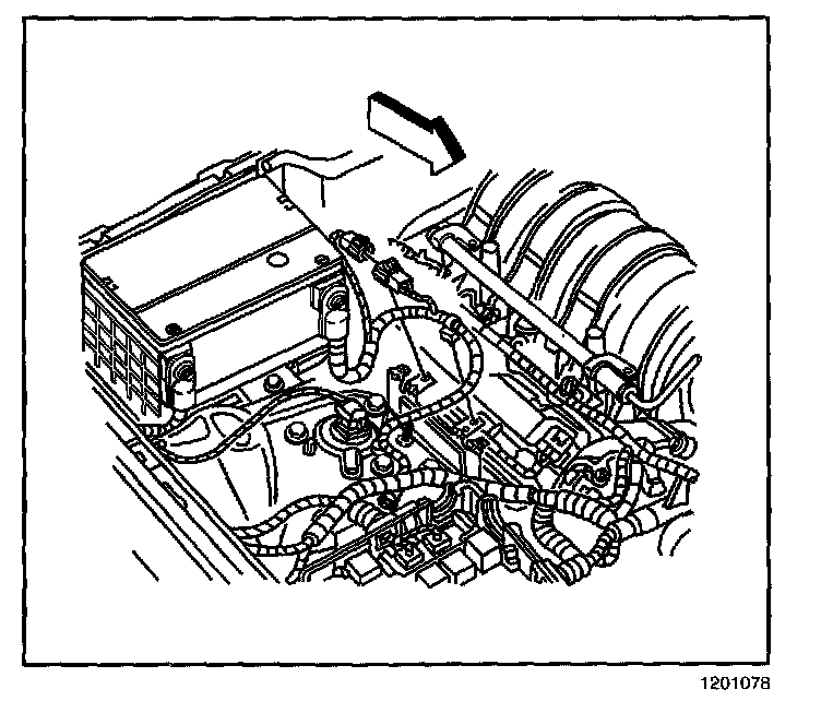
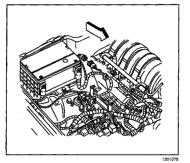
Replacement procedure

BATTERY NEGATIVE CABLE REPLACEMENT

REMOVAL PROCEDURE

IMPORTANT:
- Always use replacement cables that are of the same type, diameter and length of the cables that you are replacing.
- Always route the replacement cable the same as the original cable.




1. Disconnect the battery negative cable.
2. Remove the fuel injector sight shield.
3. Disconnect the cable retaining clip from the stud on the shock tower.
4. Remove the bolt securing the battery negative cable to the shock tower.




5. Disconnect the instrument panel harness connector from the battery negative cable.
6. Disconnect the cable retaining clips from the engine bracket.




7. Remove the bolt securing the battery negative cable to the engine block.
8. Remove the battery negative cable.

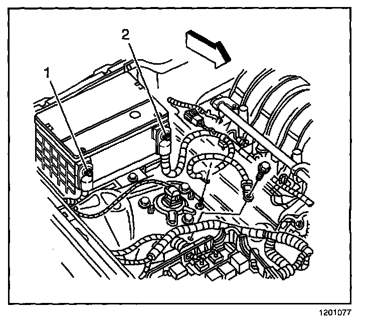
INSTALLATION PROCEDURE




1. Position the battery negative cable to the engine.

NOTE: Refer to Fastener Notice in Service Precautions.

2. Install the bolt securing the battery negative cable to the engine block.

Tighten
Tighten the battery negative cable to engine bolt to 25 N.m (18 lb ft).




3. Connect the cable retaining clips to the engine bracket.
4. Connect the instrument panel harness connector to the battery negative cable.




5. Install the bolt securing the battery negative cable to the shock tower.

Tighten
Tighten the battery negative cable to shock tower bolt to 10 N.m (89 lb in).

6. Connect the cable retaining clip to the stud on the shook tower.
7. Install the fuel injector sight shield.
8. Connect the battery negative cable.