Operation CHARM: Car repair manuals for everyone.
Manuals through 2025 now available!

Our trusted friends have launched a new website named LEMON, which has newer manuals. It also contains all the CHARM manuals.

LEMON is the spiritual successor to CHARM, I recommend you try it!

Link: lemon-manuals.la or lemon-manuals.org.ua

(Some people have issue connecting. LEMON is investigating. For now, use Firefox or change your DNS server)

Or, hide this message: temporarily or permanently

Positive: Service and Repair

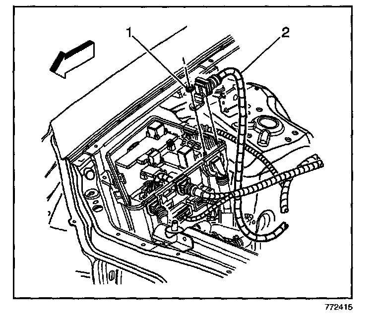
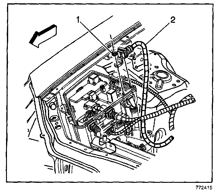
BATTERY POSITIVE CABLE REPLACEMENT

REMOVAL PROCEDURE
- Always use replacement cables that are of the same type, diameter and length of the cables that you are replacing.
- Always route the replacement cable the same way as the original cable.




1. Disconnect the battery negative cable (2).
2. Disconnect the battery positive cable (1) from the battery.




3. Remove the wiring harness from the retaining features on the underhood fuse block cover.
4. Depress the tabs in order to remove the underhood fuse block cover from the underhood fuse block.




5. Remove the nut (1) securing the battery positive cable (2) to the underhood fuse block.
6. Disconnect the cable retaining clip from the stud.
7. Remove the intake manifold.




8. Remove the positive battery cable (2) from the starter motor.

9. Remove the positive battery cable from the retaining features on the engine wiring harness bracket.

10. Remove the positive battery cable from the vehicle.

INSTALLATION PROCEDURE




1. Position the battery positive cable to the engine.
2. Install the positive battery cable to the retaining features on the engine wiring harness bracket.

NOTE: Refer to Fastener Notice in Service Precautions.

3. Connect the battery positive cable (2) to the starter and install the starter terminal nut.

Tighten
Tighten the battery positive cable to starter terminal nut to 9.5 N.m (84 lb in).




4. Install the intake manifold.
5. Connect the cable retaining clip to the stud.
6. Install battery positive cable (2) and nut (1) to the underhood fuse block.

Tighten
Tighten the battery positive cable to underhood fuse block nut to 15 N.m (11 lb ft).




7. Install the underhood fuse block cover to the underhood fuse block.
8. Install the wiring harness to the retaining features on the underhood fuse block cover.




9. Connect the battery positive cable to the battery.

Tighten
Tighten the battery cable to 17 N.m (13 lb ft).

10. Connect the battery negative cable.