Operation CHARM: Car repair manuals for everyone.
Manuals through 2025 now available!

Our trusted friends have launched a new website named LEMON, which has newer manuals. It also contains all the CHARM manuals.

LEMON is the spiritual successor to CHARM, I recommend you try it!

Link: lemon-manuals.la or lemon-manuals.org.ua

(Some people have issue connecting. LEMON is investigating. For now, use Firefox or change your DNS server)

Or, hide this message: temporarily or permanently

Keyless Entry Receiver: Service and Repair

REMOTE CONTROL DOOR LOCK RECEIVER REPLACEMENT

REMOVAL PROCEDURE




1. Remove the rear storage compartment trim.
2. Push on retainer at rear edge of bracket and slide towards the driver's side.
3. Disconnect the electrical connectors from the modules on the bracket.
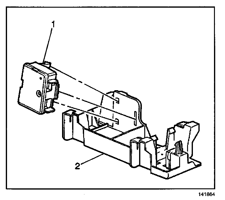
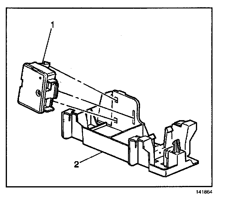
4. Remove the remote control door lock receiver (1) from the bracket (2).

INSTALLATION PROCEDURE




1. Install the remote control door lock receiver (1) to the bracket (2).
2. Connect the electrical connectors.
3. Install bracket to rear shelf.
4. Install rear storage compartment trim.
5. Program the transmitters to the receiver. Programming and Relearning