Operation CHARM: Car repair manuals for everyone.
Manuals through 2025 now available!

Our trusted friends have launched a new website named LEMON, which has newer manuals. It also contains all the CHARM manuals.

LEMON is the spiritual successor to CHARM, I recommend you try it!

Link: lemon-manuals.la or lemon-manuals.org.ua

(Some people have issue connecting. LEMON is investigating. For now, use Firefox or change your DNS server)

Or, hide this message: temporarily or permanently

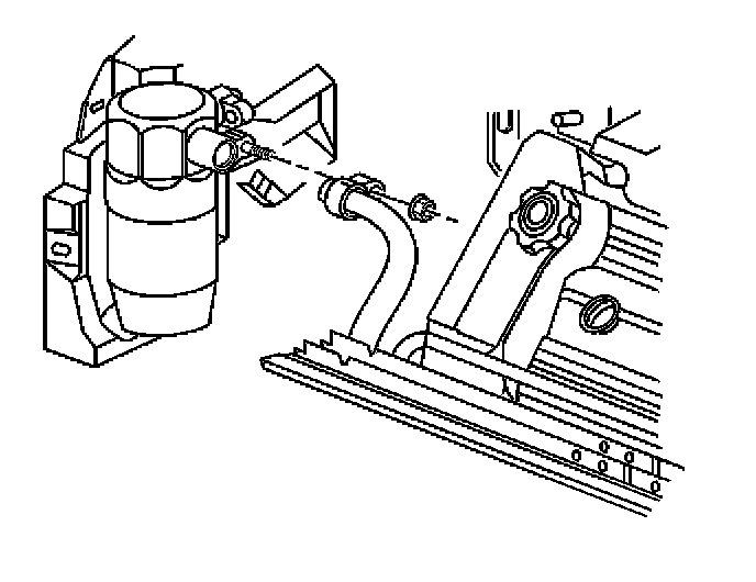
Accumulator HVAC: Service and Repair

ACCUMULATOR REPLACEMENT

TOOLS REQUIRED
J 39400-A Halogen Leak Detector

REMOVAL PROCEDURE




1. Recover the refrigerant from the system.
2. Remove the suction hose retainer from the accumulator.




3. Remove the suction hose from the accumulator.




4. Remove the evaporator hose assembly from the accumulator.




5. Disconnect the accumulator retainer.
6. Remove the accumulator.

INSTALLATION PROCEDURE




1. Install the accumulator.

IMPORTANT: If replacing the accumulator, add the refrigerant oil to the accumulator. Refer to Refrigerant System Capacities for system capacity information.

2. Connect the accumulator retainer.




3. Replace the sealing washer if there are signs of damage.

IMPORTANT: Inspect the evaporator hose sealing washer for damage. Sealing washer does not require lubricant. Install the evaporator hose assembly to the accumulator.

4. Install the evaporator hose assembly retaining nut.

NOTE: Refer to Fastener Notice in Service Precautions.

Tighten
Tighten the nut to 20 N.m (15 lb ft).




5. Install the suction hose to the accumulator.

IMPORTANT: Inspect the suction hose sealing washer for damage. Replace the sealing washer if there are signs of damage. Sealing washer does not require lubricant.




6. Install the suction hose retaining nut.
7. Tighten the retaining nut.

Tighten
Tighten the nut to 20 N.m (15 lb ft).

8. Recharge the refrigerant system.
9. Leak test the fittings of the repaired or reinstalled component using J 39400-A.