Operation CHARM: Car repair manuals for everyone.
Manuals through 2025 now available!

Our trusted friends have launched a new website named LEMON, which has newer manuals. It also contains all the CHARM manuals.

LEMON is the spiritual successor to CHARM, I recommend you try it!

Link: lemon-manuals.la or lemon-manuals.org.ua

(Some people have issue connecting. LEMON is investigating. For now, use Firefox or change your DNS server)

Or, hide this message: temporarily or permanently

Air Flow Meter/Sensor: Service and Repair

MASS AIR FLOW (MAF)/INTAKE AIR TEMPERATURE (IAT) SENSOR REPLACEMENT

REMOVAL PROCEDURE




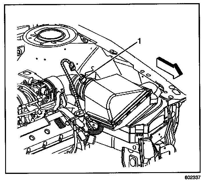
1. Disconnect the mass air flow/intake air temperature (MAF/IAT) sensor electrical connector (1).
2. Remove the clamps securing the MAF/IAT sensor assembly to the air cleaner and intake air duct.

NOTE:
- Handle the MAF sensor carefully.
- Do not drop the MAF sensor in order to prevent damage to the MAF sensor.
- Do not damage the screen located on the air inlet end of the MAF.
- Do not touch the sensing elements.
- Do not allow solvents and lubricants to come in contact with the sensing elements.
- Use a small amount of a soap based solution in order to aid in the installation.

3. Carefully remove the MAF/IAT sensor from the air cleaner and intake air duct.

INSTALLATION PROCEDURE

NOTE:
- Handle the MAF sensor carefully.
- Do not drop the MAF sensor in order to prevent damage to the MAF sensor.
- Do not damage the screen located on the air inlet end of the MAF.
- Do not touch the sensing elements.
- Do not allow solvents and lubricants to come in contact with the sensing elements.
- Use a small amount of a soap based solution in order to aid in the installation.




1. Carefully install the MAF/IAT sensor (1) into the air cleaner and intake air duct.

NOTE: Refer to Fastener Notice in Service Precautions.

2. Install the clamps securing the MAF/IAT sensor assembly to the air cleaner and intake air duct.

Tighten
Tighten the clamps to 3 Nm (27 lb in).

3. Reconnect the MAF/IAT sensor electrical connector (1).