Operation CHARM: Car repair manuals for everyone.
Manuals through 2025 now available!

Our trusted friends have launched a new website named LEMON, which has newer manuals. It also contains all the CHARM manuals.

LEMON is the spiritual successor to CHARM, I recommend you try it!

Link: lemon-manuals.la or lemon-manuals.org.ua

(Some people have issue connecting. LEMON is investigating. For now, use Firefox or change your DNS server)

Or, hide this message: temporarily or permanently

Throttle Position Sensor: Service and Repair

THROTTLE POSITION (TP) SENSOR REPLACEMENT

REMOVAL PROCEDURE




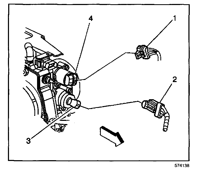
1. Remove the idle air control (IAC) electrical connector (1) from the IAC sensor (4).
2. Remove the manifold absolute pressure (MAP) sensor electrical connector from the MAP sensor.
3. Remove the water pump belt cover.
4. Remove the TP sensor retaining screws electrical connector (2) from the TP sensor (3).
5. Remove the TP sensor electrical connector (2) from the TP sensor (3).

INSTALLATION PROCEDURE




1. Install the new 0-ring on to the TP sensor.
2. Connect the TP Sensor electrical connector (2) to the TP sensor (3).

NOTE: Refer to Fastener Notice in Service Precautions.

3. Install the TP sensor (2) on to the throttle body (1).

Tighten
Tighten the TP sensor screws to 2.3 Nm (20 lb in).

4. Connect the IAC electrical connector (1) to the IAC sensor (4).
5. Connect the MAP sensor electrical connector to the MAP sensor.
6. Install the water pump belt and tensioner cover.
7. Perform the TP Sensor learn procedure:
7.1. Turn the ignition to the RUN/ON position.
7.2. Wait 1 minute.
7.3. Turn the ignition to the LOCK/OFF position.
7.4. Wait 15 seconds.