Operation CHARM: Car repair manuals for everyone.
Manuals through 2025 now available!

Our trusted friends have launched a new website named LEMON, which has newer manuals. It also contains all the CHARM manuals.

LEMON is the spiritual successor to CHARM, I recommend you try it!

Link: lemon-manuals.la or lemon-manuals.org.ua

(Some people have issue connecting. LEMON is investigating. For now, use Firefox or change your DNS server)

Or, hide this message: temporarily or permanently

Inflatable Restraint Instrument Panel Module Replacement

REMOVAL PROCEDURE




1. Disable the SIR system. Refer to SIR Disabling and Enabling Zone 5.

CAUTION:
- Refer to SIR Inflator Module Handling and Storage Caution in Service Precautions.
- Refer to SIR Caution in Service Precautions.


2. Remove right insulator panel.
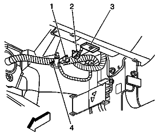
3. Remove the connector position assurance (CPA) (4) from the instrument panel (I/P) module connector (2).
4. Remove the yellow connector (2) on the inflatable restraint I/P module from the yellow connector (1) on the vehicle wiring harness.
5. Remove the yellow connector (2) on the inflatable restraint I/P module from the I/P bracket (3).




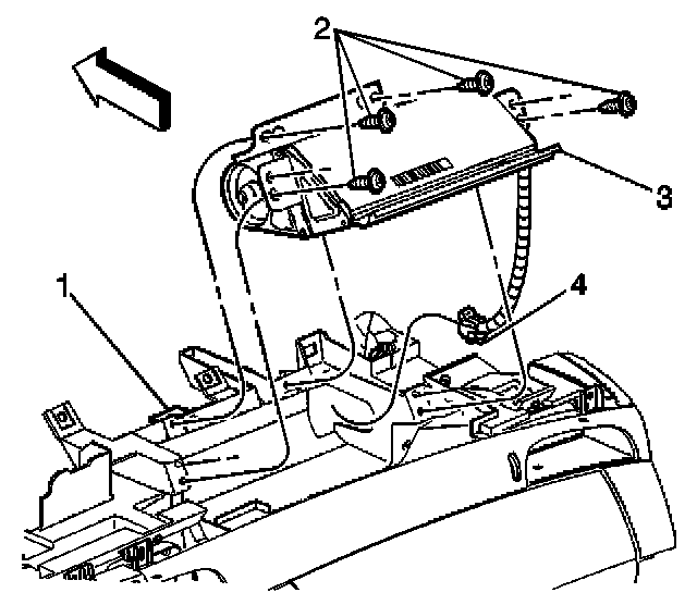
6. Remove the I/P upper trim pad.
7. Note the wire harness routing position of the inflatable restraint module, to help in assembly.
8. Push the yellow connector (2) on the inflatable restraint module away from the I/P (3).




9. Remove the mounting fasteners (2) from the inflatable restraint module.
10. Remove the inflatable restraint module (3) from the I/P (1).
11. Fully deploy the module before disposal. If the module was replaced under warranty, fully deploy and dispose of the module after the required retention period.
12. When removing the inflatable restraint I/P module (3), do not damage pigtail and the connector (4).

INSTALLATION PROCEDURE




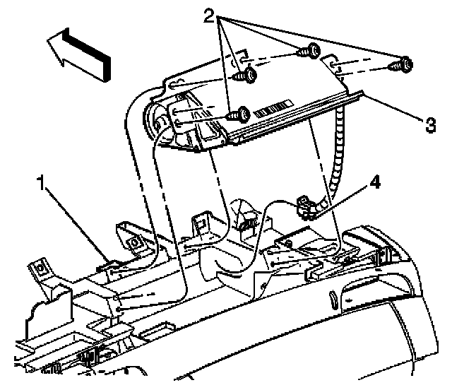
1. When installing the inflatable restraint module (3), do not damage the pigtail and the connector (4).
2. Route the module pigtail (4) down through the I/P (1).
3. Install the inflatable restraint module (3) to the I/P.
4. Install the mounting fasteners (2) to the inflatable restraint I/P module.

NOTE: Refer to Fastener Notice in Service Precautions.

Tighten
Tighten fasteners to 9 N.m (80 lb in).




5. Route the module wiring harness (2) in place to secure the yellow connector clip to the I/P (3).
6. Install the I/P upper trim pad.




7. Clip the yellow connector (2) to the I/P bracket (3).
8. Install the yellow connector (2) on the inflatable restraint I/P module to the yellow connector (1) on the vehicle harness.
9. Install the CPA (4) to the inflatable restraint I/P module connector (2).
10. Install the right insulator panel.
11. Enable the SIR system. Refer to SIR Disabling and Enabling Zone 5.