Operation CHARM: Car repair manuals for everyone.
Manuals through 2025 now available!

Our trusted friends have launched a new website named LEMON, which has newer manuals. It also contains all the CHARM manuals.

LEMON is the spiritual successor to CHARM, I recommend you try it!

Link: lemon-manuals.la or lemon-manuals.org.ua

(Some people have issue connecting. LEMON is investigating. For now, use Firefox or change your DNS server)

Or, hide this message: temporarily or permanently

Clutch Assembly

Disassembled Views





Direct and Reverse Clutch Assembly





Forward and Coast Clutch Assembly





Input Sun Gear Shaft and Forward Sprag Clutch Assembly





Direct Clutch Drum and Shaft Assembly





Intermediate Sprag Clutch Assembly





Overdrive and Intermediate Clutch Assembly





Low Clutch Sprag Assembly








Center Support Assembly





Planetary Carrier Assembly





Rear Internal Gear Output Shaft Assembly





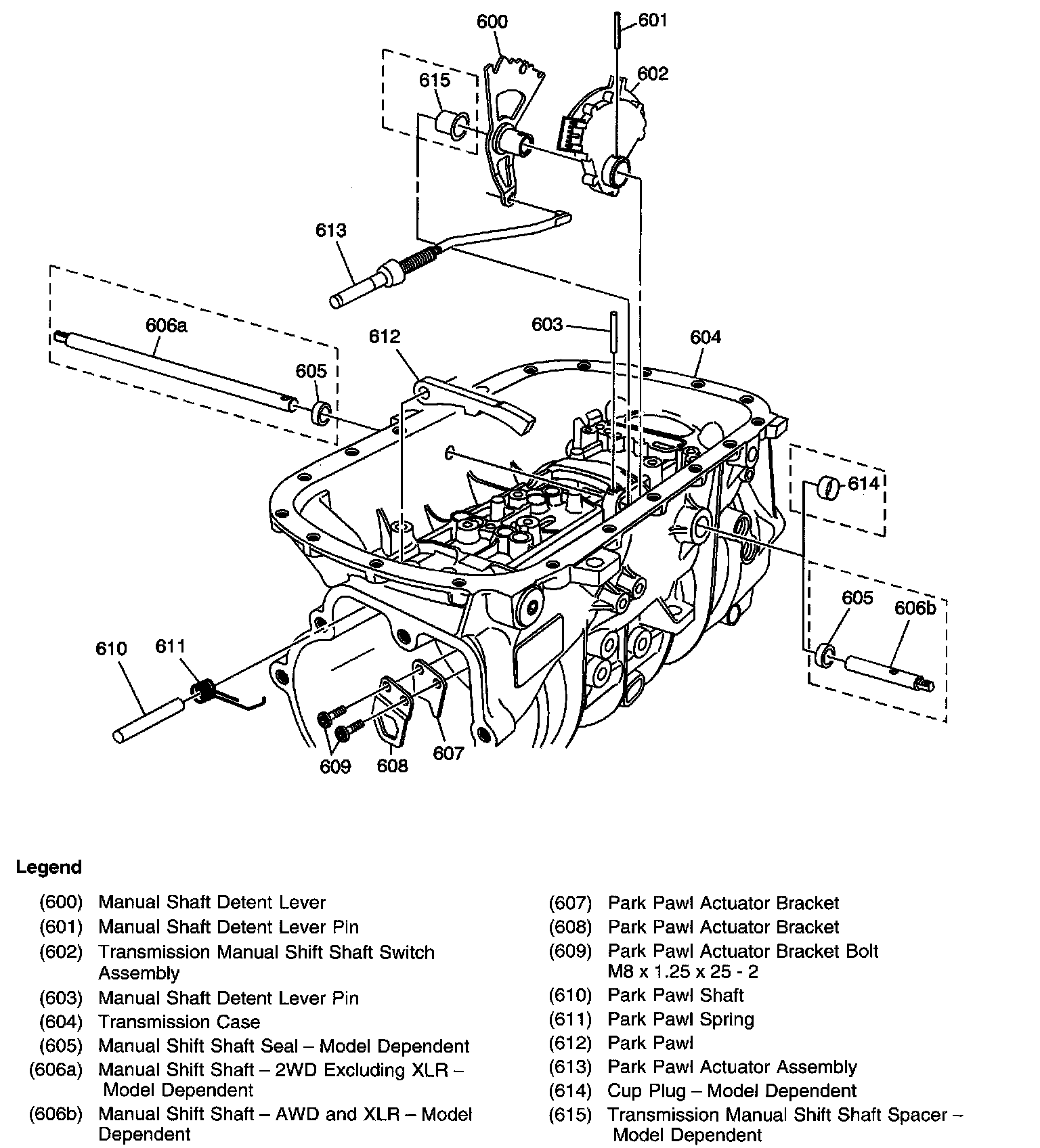
Park Pawl Assembly