Operation CHARM: Car repair manuals for everyone.
Manuals through 2025 now available!

Our trusted friends have launched a new website named LEMON, which has newer manuals. It also contains all the CHARM manuals.

LEMON is the spiritual successor to CHARM, I recommend you try it!

Link: lemon-manuals.la or lemon-manuals.org.ua

(Some people have issue connecting. LEMON is investigating. For now, use Firefox or change your DNS server)

Or, hide this message: temporarily or permanently

Timing Cover: Service and Repair

Engine Front Cover Replacement

^ Tools Required
- J 38185 Hose Clamp Pliers

Removal Procedure





1. Drain the cooling system.
2. Remove the air outlet duct in order to gain access to the thermostat housing.
3. Remove the heater hose from the thermostat housing using a J 38185.
4. Remove the coolant radiator hose from the thermostat housing.
5. Remove the drive belt tensioner.
6. Remove the accessory drive belt.
7. Remove the drive belt idler pulley bolt. Remove the drive belt idler pulley.





8. Remove the water pump pulley.
9. Raise and support the vehicle.
10. Remove the crankshaft balancer.





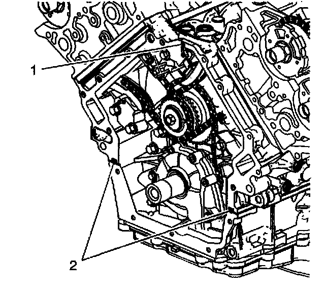
11. Remove the engine front cover bolts.
12. Remove the engine front cover.





13. Remove and discard the engine front cover gasket.


Cleaning and Inspection
Clean and inspect the engine front cover.

Installation Procedure





1. Place a small amount of sealant GM P/N 12578521 (Canadian P/N 88901148) or equivalent at the split line of the upper and lower crankcases, and at the top of the block face.





2. Place the NEW engine front cover gasket over the crankcase dowel pins.





3. Place the engine front cover in position on the crankcase.
4. Apply the thread locking compound GM P/N 12345382 (Canadian P/N 10953489) or equivalent to the threads of the engine front cover bolts.
5. Install the engine front cover retaining bolts.





Notice: Refer to Fastener Notice in Service Precautions.

6. Tighten the engine front cover bolts in the sequence shown.
^ Tighten the engine front cover bolts in proper sequence to 15 Nm (11 ft. lbs.).
7. Install the crankshaft balancer.





8. Install the water pump pulley.
^ Tighten the water pump pulley bolts to 10 Nm (89 inch lbs.).
9. Install the drive belt idler pulley.
10. Install the drive belt idler pulley bolt.
^ Tighten the drive belt idler pulley bolt to 50 Nm (37 ft. lbs.).
11. Install the accessory drive belt.
12. Install the drive belt tensioner.
13. Install the coolant radiator hose to the thermostat housing.
14. Install the heater hose to the thermostat housing using a J 38185.
15. Install the air outlet duct.
16. Fill the cooling system.