Operation CHARM: Car repair manuals for everyone.
Manuals through 2025 now available!

Our trusted friends have launched a new website named LEMON, which has newer manuals. It also contains all the CHARM manuals.

LEMON is the spiritual successor to CHARM, I recommend you try it!

Link: lemon-manuals.la or lemon-manuals.org.ua

(Some people have issue connecting. LEMON is investigating. For now, use Firefox or change your DNS server)

Or, hide this message: temporarily or permanently

Electrical Diagrams

Schematic and Routing Diagrams





Automatic Transmission Controls Schematics (DLC, Ground, MIL and Power)





Automatic Transmission Controls Schematics (IMS, ISS, Solenoids, TFT, and VSS)





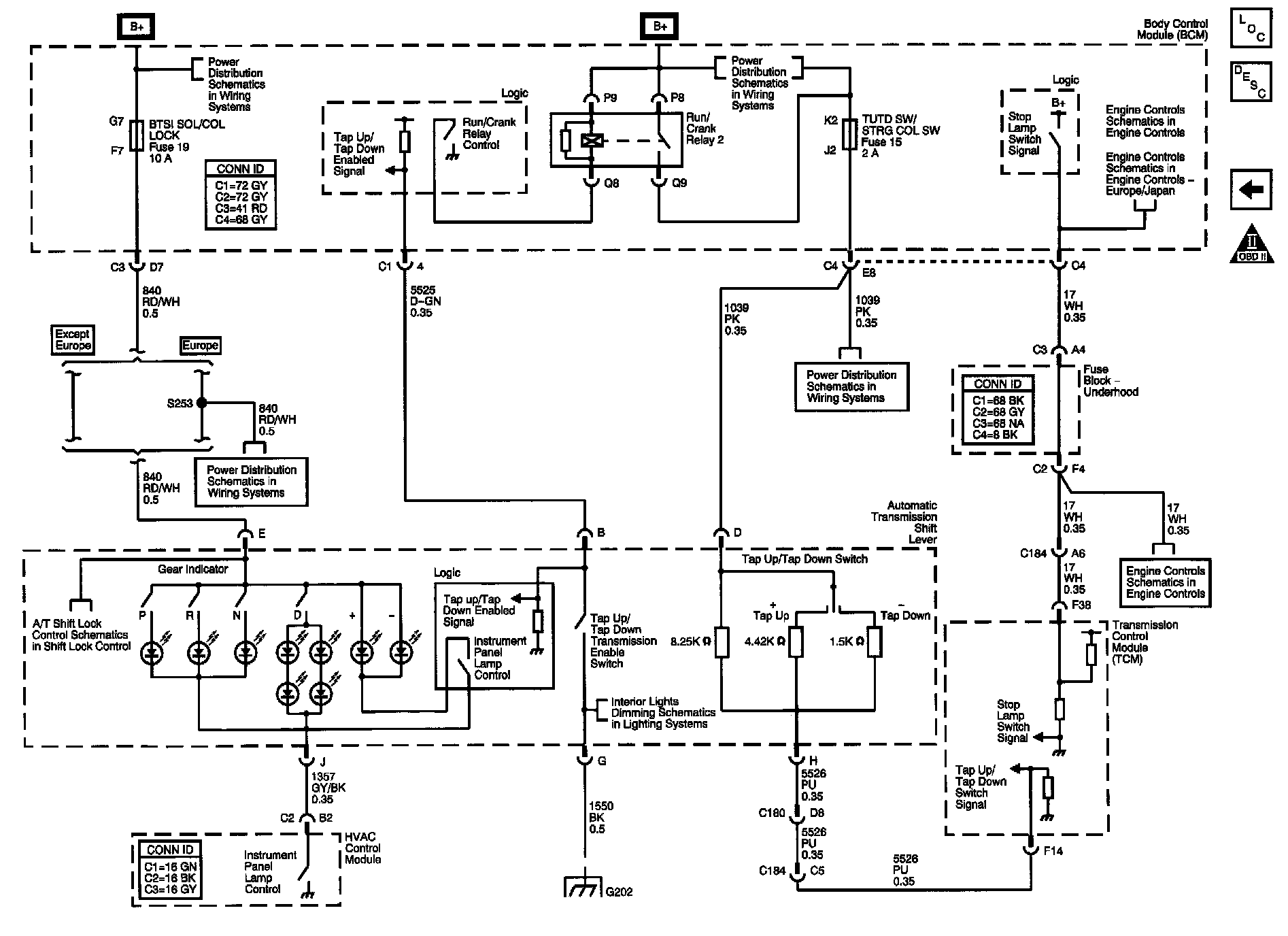
Automatic Transmission Controls Schematics (Shift Lever)