Operation CHARM: Car repair manuals for everyone.
Manuals through 2025 now available!

Our trusted friends have launched a new website named LEMON, which has newer manuals. It also contains all the CHARM manuals.

LEMON is the spiritual successor to CHARM, I recommend you try it!

Link: lemon-manuals.la or lemon-manuals.org.ua

(Some people have issue connecting. LEMON is investigating. For now, use Firefox or change your DNS server)

Or, hide this message: temporarily or permanently

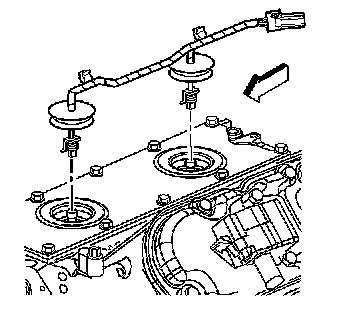
Knock Sensor: Service and Repair



KNOCK SENSOR (KS) REPLACEMENT

REMOVAL PROCEDURE




1. Remove the intake manifold.
2. Remove the knock sensor wiring harness assembly.




3. Remove the knock sensor.

INSTALLATION PROCEDURE




1. Install the knock sensor.

NOTE: Refer to Fastener Notice in Service Precautions.

Tighten the knock sensor to 20 N.m (15 lb ft).




2. Install the knock sensor wiring harness assembly.
3. Install the intake manifold.
4. Connect the negative battery cable.