Operation CHARM: Car repair manuals for everyone.
Manuals through 2025 now available!

Our trusted friends have launched a new website named LEMON, which has newer manuals. It also contains all the CHARM manuals.

LEMON is the spiritual successor to CHARM, I recommend you try it!

Link: lemon-manuals.la or lemon-manuals.org.ua

(Some people have issue connecting. LEMON is investigating. For now, use Firefox or change your DNS server)

Or, hide this message: temporarily or permanently

Engine Control Module: Service and Repair



ENGINE CONTROL MODULE (ECM) REPLACEMENT

REMOVAL PROCEDURE

NOTE: Turn the ignition OFF when installing or removing the PCM connectors and disconnecting or reconnecting the power to the PCM (battery cable, PCM pigtail, PCM fuse, jumper cables, etc.) in order to prevent internal PCM damage.

1. Using a scan tool, retrieve the percentage of remaining engine oil and the remaining automatic transmission fluid life. Record the remaining engine oil and the remaining automatic transmission fluid life.

IMPORTANT:
- It is necessary to record the remaining engine oil life. If the replacement module is not programed with the remaining engine oil life, the engine oil life will default to 100 percent. If the replacement module is not programmed with the remaining engine oil life, the engine oil will need to be changed at 5 000 km (3,000 mi) from the last engine oil change.
- It is necessary to record the remaining automatic transmission fluid life. If the replacement module is not programed with the remaining automatic transmission fluid life, the automatic transmission fluid life will default to 100 percent. If the replacement module is not programmed with the remaining automatic transmission fluid life, the automatic transmission fluid will need to be changed at 83 000 km (50,000 mi) from the last automatic transmission fluid change.

2. Turn OFF the ignition.
3. Disconnect the battery negative cable.




4. Raise and support the vehicle. Refer to Vehicle Lifting.
5. Remove the front air deflector.




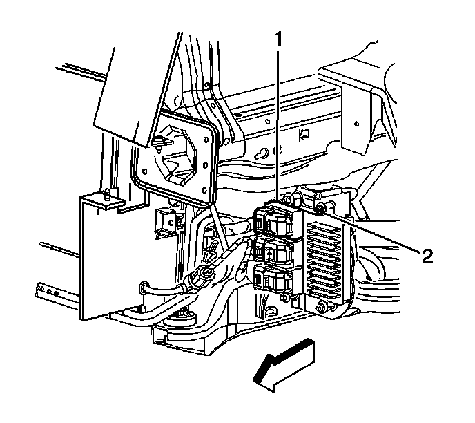
6. Disconnect the engine control module (ECM) electrical connectors (1).
7. Remove the ECM mounting nuts (2).
8. Remove the ECM from the vehicle.

INSTALLATION PROCEDURE




1. Install the ECM to the vehicle.
2. Install the ECM mounting nuts (2).

NOTE: Refer to Fastener Notice in Service Precautions.

Tighten the nuts to 8 N.m (71 lb in).

3. Connect the ECM electrical connectors (1).




4. Install the front air deflector.
5. Lower the vehicle.
6. Connect the battery negative cable.
7. Program the ECM. Refer to Engine Control Module Programming and Setup (4.6L) Engine Control Module Programming and Setup (3.6L - LY7) in Programming and Setup. Programming and Relearning