Operation CHARM: Car repair manuals for everyone.
Manuals through 2025 now available!

Our trusted friends have launched a new website named LEMON, which has newer manuals. It also contains all the CHARM manuals.

LEMON is the spiritual successor to CHARM, I recommend you try it!

Link: lemon-manuals.la or lemon-manuals.org.ua

(Some people have issue connecting. LEMON is investigating. For now, use Firefox or change your DNS server)

Or, hide this message: temporarily or permanently

Fuel System



FUEL SYSTEM DESCRIPTION

FUEL TANK
The fuel storage tank is made of high density polyethylene. The fuel storage tank is held in place by 2 metal straps that are attached to the under body of the vehicle. The tank shape includes a sump in order to maintain a constant supply of fuel around the fuel pump strainer during low fuel conditions or during aggressive maneuvers.

The fuel tank also contains a fuel vapor vent valve with a roll-over protection. The vent valve also features a 2-phase vent calibration which increases the fuel vapor flow to the canister when the operating temperatures increase the tank pressure beyond an established threshold.

ON-BOARD REFUELING VAPOR RECOVERY (ORVR) SYSTEM
The on-board refueling vapor recovery (ORVR) system is an on-board vehicle system to recover fuel vapors during the vehicle refueling operation. The flow of liquid fuel down to the fuel tank filler neck provides a liquid seal. The purpose of ORVR is to prevent refueling vapor from exiting the fuel tank filler neck. The ORVR components are listed below, with a brief description of their operation:
- The fuel tank-The fuel tank contains the modular fuel sender, the fuel limiter vent valve (FLVV), and 1 rollover valve.
- The fuel filler pipe-The fuel filler pipe carries fuel from the fuel nozzle to the fuel tank.
- The evaporative emission (EVAP) canister-The EVAP canister receives refueling vapor from the fuel system, stores the vapor, and releases the vapor to the engine upon demand.
- The vapor lines-The vapor lines transport fuel vapor from the tank assembly to the EVAP canister and engine.
- The check valve-The check valve limits fuel spit-back from the fuel tank during the refueling operation by allowing fuel flow only into the fuel tank. The check valve is located at the bottom of the fuel filler pipe.
- The modular fuel sender assembly-The modular fuel sender assembly pumps fuel to the engine from the fuel tank.
- The fuel tank pressure (FTP) sensor is located on top of the fuel tank vapor dome.
- The FLVV-The FLVV acts as a shut-off valve. The FLVV is located in the fuel tank. This valve has the following functions:
- Controlling the fuel tank fill level by closing the primary vent from the fuel tank
- Preventing fuel from exiting the fuel tank via the vapor line to the canister
- Providing fuel spillage protection in the event of a vehicle rollover by closing the vapor path from the tank to the engine
- The pressure vacuum relief valve-The pressure vacuum relief valve provides venting of excessive fuel tank pressure and vacuum. The valve is located in the fuel fill cap.
- The vapor recirculation line-The vapor recirculation line is used to transport vapor from the fuel tank to the top of the fill pipe during refueling to reduce vapor loading to the enhanced EVAP canister.

FUEL TANK FILLER PIPE
In order to prevent refueling with leaded fuel, the fuel filler pipe has a built-in restrictor and a deflector. The opening in the restrictor will accept only the smaller unleaded gasoline fuel nozzle which must be fully inserted in order to bypass the deflector. The tank is vented during filling by an internal vent tube inside of the filler pipe.

FUEL FILLER CAP

NOTE Use a fuel tank filler pipe cap with the same features as the original when a replacement is necessary. Failure to use the correct fuel tank filler pipe cap can result in a serious malfunction of the fuel system.

Fuel Filler Cap:




The fuel tank filler pipe is equipped with a turn to vent screw on the type cap which incorporates a ratchet action in order to prevent over-tightening.

The turn to vent feature allows the fuel tank pressure relief prior to removal. Instructions for proper use are imprinted on the cap cover. A vacuum safety relief valve is incorporated into this cap.

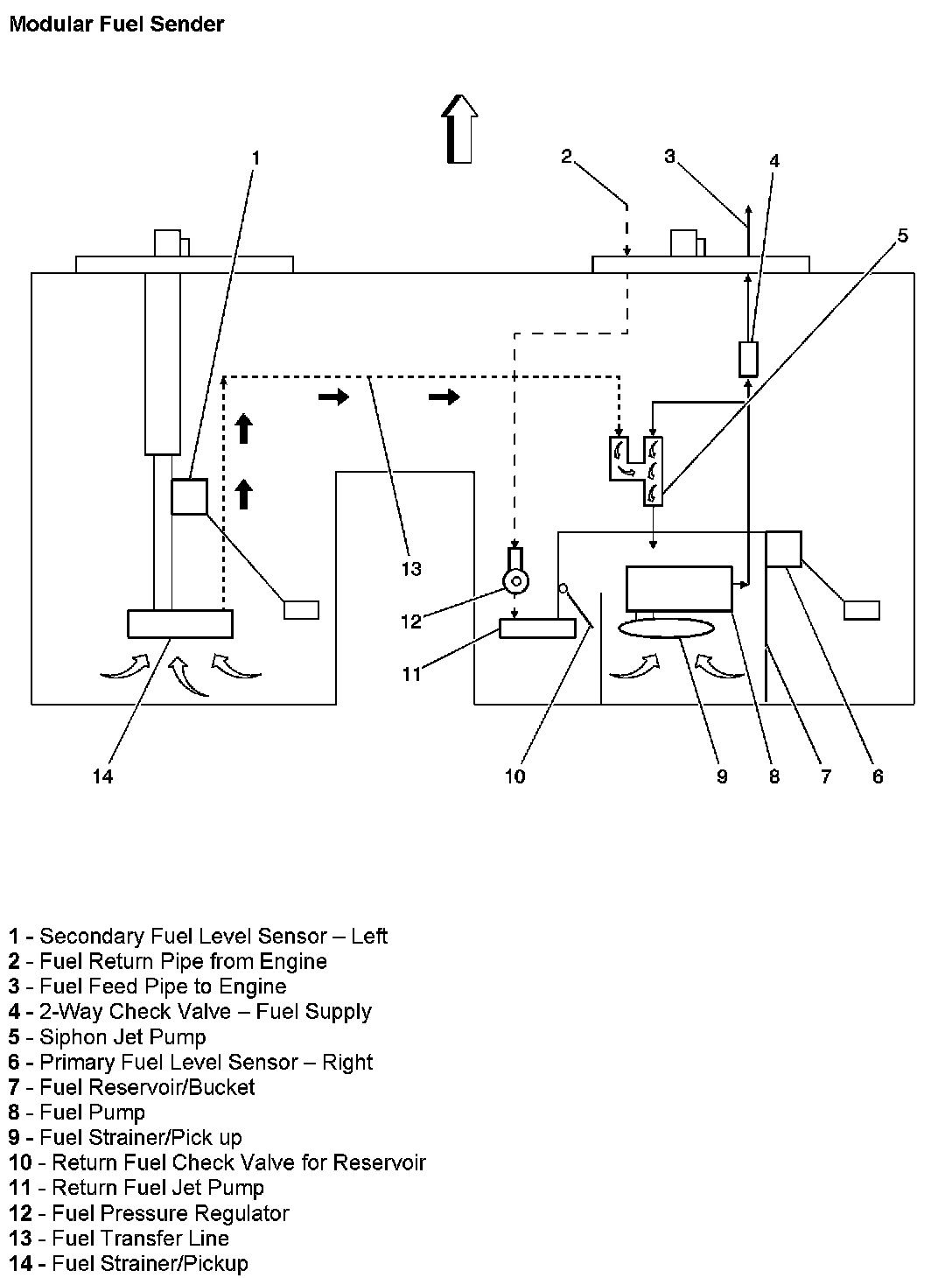
MODULAR FUEL SENDER

Modular Fuel Sender:




The modular fuel sender assembly mounts to the threaded opening of the plastic fuel tank with a seal and a retainer ring. The reservoir, containing the exterior inlet strainer, the electric fuel pump and the pump strainer, maintains contact with the tank bottom. This design provides:
- Optimum fuel level in the integral fuel reservoir during all fuel tank levels and during driving conditions
- An improved tank fuel level measuring accuracy
- An improved coarse straining and added pump inlet filtering
- More extensive internal fuel pump isolation for noiseless operation

The modular fuel sender assembly maintains an optimum fuel level in the reservoir (bucket). The fuel entering the reservoir is drawn in by the following components:
- The first stage of the fuel pump through the external strainer and/or
- The secondary umbrella valve or
- The return fuel line, whenever the level of fuel is below the top of the reservoir

FUEL PUMP
The electric fuel pump is a turbine pump which is located inside of the modular fuel sender. The electric fuel pump operation is controlled by the engine control module (ECM) through the fuel pump relay.

FUEL SENDER STRAINERS
The strainers act as a coarse filter to perform the following functions:
- Filter contaminants
- Separate water from fuel
- Provide a wicking action that helps draw fuel into the fuel pump

Fuel stoppage at the strainer indicates that the fuel tank contains an abnormal amount of sediment or water. Therefore, the fuel tank will need to be removed and cleaned, and the filter strainer should be replaced.

IN-LINE FUEL FILTER




The fuel filter is located on the fuel feed pipe, between the fuel pump and the fuel rail. The electric fuel pump supplies fuel through the in-line fuel filter to the fuel injection system. The fuel pressure regulator keeps the fuel available to the fuel injectors at a regulated pressure. Unused fuel is returned from the fuel filter to the fuel tank by a separate fuel return pipe. The paper filter element (2) traps particles in the fuel that may damage the fuel injection system. The filter housing (1) is made to withstand maximum fuel system pressure, exposure to fuel additives, and changes in temperature. There is no service interval for fuel filter replacement. Replace a restricted fuel filter.

EVAP LINES AND HOSES
The EVAP line extends from the fuel tank vent valve to the EVAP canister and into the engine compartment. The EVAP line is made of nylon and connects to the EVAP canister with a quick connect fitting.

FUEL PRESSURE REGULATOR




The fuel pressure regulator attaches to the fuel return pipe on the fuel sender assembly. The fuel pressure regulator is a diaphragm-operated relief valve. A software bias compensates the injector on-time because the fuel pressure regulator is not referenced to manifold vacuum. The injector pulse width varies with the signal from the mass air flow (MAF)/intake air temperature (IAT) sensor.

With the engine running at idle, the system fuel pressure at the pressure test connection should be between 380-410 kPa (55-60 psi). With the system pressurized and the pump OFF the pressure should stabilize and hold. If the pressure regulator supplies a fuel pressure which is too low or too high, a driveability condition will result.

FUEL RAIL
The fuel rail consists of 3 parts:
- The pipe that carries fuel to each injector
- The fuel pressure test port
- Six individual fuel injectors

The fuel rail is mounted on the intake manifold and distributes the fuel to each cylinder through the individual injectors.

FUEL INJECTORS
The fuel injector is a solenoid device that is controlled by the ECM. When the ECM energizes the injector coil, a normally closed ball valve opens, allowing the fuel to flow past a director plate to the injector outlet. The director plate has holes that control the fuel flow, generating a dual conical spray pattern of finely atomized fuel at the injector outlet. The fuel from the outlet is directed at both of the intake valves, causing the fuel to become further vaporized before entering the combustion chamber.

The fuel injectors will cause various driveability conditions if the following conditions occur:
- If the injectors will not open
- If the injectors are stuck open
- If the injectors are leaking
- If the injectors have a low coil resistance

FUEL PUMP RELAY
The fuel pump relay allows the ECM to energize the fuel pump. The ECM enables the fuel pump whenever the crankshaft position (CKP) sensor pulses are detected.

ENGINE FUELING
The engine is fueled by six individual injectors, one for each cylinder, that are controlled by the ECM. The ECM controls each injector by energizing the injector coil for a brief period once every other engine revolution. The length of this brief period, or pulse, is carefully calculated by the ECM to deliver the correct amount of fuel for proper driveability and emissions control. The period of time when the injector is energized is called the pulse width and is measured in milliseconds, thousandths of a second.

While the engine is running, the ECM is constantly monitoring the inputs and recalculating the appropriate pulse width for each injector. The pulse width calculation is based on the injector flow rate, mass of fuel the energized injector will pass per unit of time, the desired air/fuel ratio, and actual air mass in each cylinder and is adjusted for battery voltage, short term, and long term fuel trim. The calculated pulse is timed to occur as each cylinders intake valves are closing to attain largest duration and most vaporization.

Fueling during a crank is slightly different than fueling during an engine run. As the engine begins to turn, a prime pulse may be injected to speed starting. As soon as the ECM can determine where in the firing order the engine is, the ECM begins pulsing the injectors. The pulse width during the crank is based on the coolant temperature and the engine load.

The fueling system has several automatic adjustments in order to compensate for the differences in the fuel system hardware, the driving conditions, the fuel used, and the vehicle aging. The basis for the fuel control is the pulse width calculation that is described above. Included in this calculation are an adjustment for the battery voltage, the short term fuel trim, and the long term fuel trim. The battery voltage adjustment is necessary since the changes in the voltage across the injector affect the injector flow rate. The short term and the long term fuel trims are fine and gross adjustments to the pulse width that are designed in order to maximize the driveability and emissions control. These fuel trims are based on the feedback from the oxygen sensors in the exhaust stream and are only used when the fuel control system is in a Closed Loop operation.

Under certain conditions, the fueling system will turn OFF the injectors for a period of time. This is referred to as fuel shut-off. Fuel shut-off is used in order to improve traction, save fuel, improve emissions, and protect the vehicle under certain extreme or abusive conditions.

In case of a major internal problem, the ECM may be able to use a back-up fuel strategy for limp in mode that will run the engine until service can be performed.

SEQUENTIAL FUEL INJECTION (SFI)
The ECM controls the fuel injectors based on information that the ECM receives from several information sensors. Each injector is fired individually in the engine firing order, which is called sequential fuel injection. This allows precise fuel metering to each cylinder and improves the driveability under all of the driving conditions.

The ECM has several operating modes for fuel control, depending on the information that has been received from the sensors.

STARTING MODE
When the ECM detects reference pulses from the CKP sensor, the ECM will enable the fuel pump. The fuel pump runs and builds up pressure in the fuel system. The ECM then monitors the MAF, IAT, engine coolant temperature (ECT), and the throttle position (TP) sensor signal in order to determine the required injector pulse width for starting.

Clear Flood Mode
If the engine is flooded with fuel during starting and will not start, the Clear Flood Mode can be manually selected. To select Clear Flood Mode, push the accelerator to wide open throttle (WOT). With this signal, the ECM will completely turn OFF the injectors and will maintain this stage as long as the ECM indicates a WOT condition with engine speed below 1,000 RPM.

Run Mode
The Run Mode has 2 conditions: Open Loop operation and Closed Loop operation. When the engine is first started and the engine speed is above 480 RPM, the system goes into Open Loop operation. In Open Loop operation, the ECM ignores the signals from the oxygen sensors and calculates the required injector pulse width based primarily on inputs from the MAF, IAT and ECT sensors.

In Closed Loop, the ECM adjusts the calculated injector pulse width for each bank of injectors based on the signals from each oxygen sensor.

Acceleration Mode
The ECM monitors the changes in the TP and the MAF sensor signals in order to determine when the vehicle is being accelerated. The ECM will then increase the injector pulse width in order to provide more fuel for improved performance.

Deceleration Mode
The ECM monitors changes in TP and MAF sensor signals to determine when the vehicle is being decelerated. The ECM will then decrease injector pulse width or even shut OFF injectors for short periods to reduce exhaust emissions, and for better (engine braking) deceleration.

Battery Voltage Correction Mode
The ECM can compensate in order to maintain acceptable vehicle driveability when the ECM sees a low battery voltage condition. The ECM compensates by performing the following functions:
- Increasing the injector pulse width in order to maintain the proper amount of fuel being delivered
- Increasing the idle speed to increase the generator output

Fuel Shut-off Mode
The ECM has the ability to completely turn OFF all of the injectors or selectively turn OFF some of the injectors when certain conditions are met. These fuel shut-off modes allow the ECM to protect the engine from damage and also to improve the vehicles driveability.

The ECM will disable all of the six injectors under the following conditions:
- Ignition OFF-Prevents engine run-on
- Ignition ON but no CKP signal-Prevents flooding or backfiring
- A high engine speed-Above the red line
- A high vehicle speed-Above the rated tire speed
- Closed throttle cast down-Reduces the emissions and increases engine braking.

The ECM will selectively disable the injectors under the following conditions:
- The torque management enabled-Transmission shifts or abusive maneuvers.
- The traction control enabled-In conjunction with the front brakes applying