Operation CHARM: Car repair manuals for everyone.
Manuals through 2025 now available!

Our trusted friends have launched a new website named LEMON, which has newer manuals. It also contains all the CHARM manuals.

LEMON is the spiritual successor to CHARM, I recommend you try it!

Link: lemon-manuals.la or lemon-manuals.org.ua

(Some people have issue connecting. LEMON is investigating. For now, use Firefox or change your DNS server)

Or, hide this message: temporarily or permanently

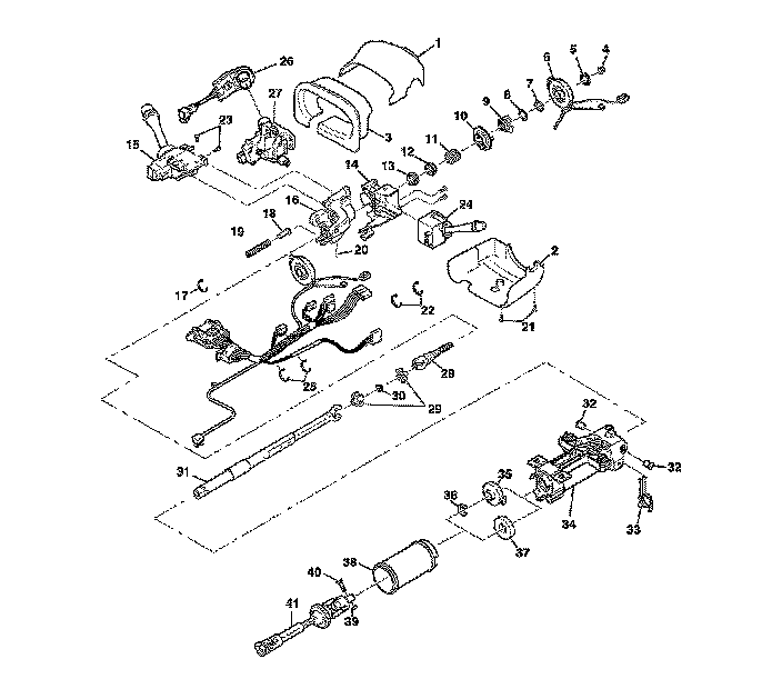
Steering Column


Steering Column Disassembled View

Steering Column:





1 - Upper Trim Cover
2 - Lower Trim Cover
3 - Steering Column Closeout Trim
4 - Flanged Prevailing Torque Nut
5 - Retaining Ring
6 - SIR Coil
7 - Wave Washer
8 - Bearing Retainer
9 - Cam Orientation Plate
10 - Turn Signal Cancel Cam
11 - Upper Bearing Spring
12 - Upper Bearing Inner Race Seat
13 - Inner Race
14 - Switch Mounting Bracket
15 - Turn Signal and Multifunction Switch Assembly
16 - Steering Column Tilt Head Assembly
17 - Wire Strap
18 - Spring Guide
19 - Tilt Spring
20 - Pin
21 - Pan Head Tapping Screws
22 - Wire Straps
23 - Pan Head Tapping Screws
24 - Window Washer and Wiper Switch Assembly
25 - Wire Straps
26 - Theft Deterrent
27 - Ignition Lock Cylinder Case
28 - Race and Upper Shaft
29 - Centering Sphere
30 - Joint Preload Spring
31 - Lower Steering Shaft
32 - Pivot Pins
33 - Wire Strap
34 - Steering Column Jacket Assembly
35 - Steering Column Position Sensor
36 - Sensor Clip
37 - Sensor Seal
38 - Boot
39 - Bolt Retainer
40 - Pinch Bolt
41 - Intermediate Shaft Assembly