Operation CHARM: Car repair manuals for everyone.
Manuals through 2025 now available!

Our trusted friends have launched a new website named LEMON, which has newer manuals. It also contains all the CHARM manuals.

LEMON is the spiritual successor to CHARM, I recommend you try it!

Link: lemon-manuals.la or lemon-manuals.org.ua

(Some people have issue connecting. LEMON is investigating. For now, use Firefox or change your DNS server)

Or, hide this message: temporarily or permanently

Trunk / Liftgate Lock: Service and Repair



Door Manual Release Replacement - Rear Compartment

Removal Procedure




1. Unscrew and remove both cargo net hooks from the driver side trim panel in the rear compartment.
2. Pull the trim away from the body.
3. Guide the end of the door release cable through the slit in the trim panel, toward the body. The release is in the driver side trim panel, behind a trap door with the fuel door release.
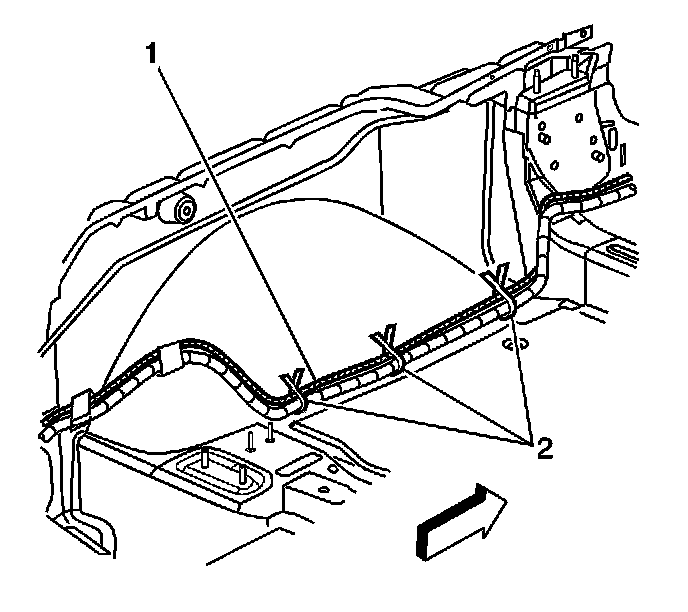
4. Remove the fastener (1) from the retaining bracket that holds the rear-mounted door release cable.
5. Lift the driver side carpet from the rear compartment floor to expose the rear-mounted door release cable.




6. Separate the fingers (2) of the retainers in order to free the cable (1).

Caution: Refer to Battery Disconnect Caution in Service Precautions.

7. Disconnect the battery.
8. Remove the doorsill trim.
9. Remove the B-Pillar interior trim.




10. Remove the mastic cover (1) from the door latch access hole in the body.




11. Remove the fasteners (1) from the B-Pillar mounted door latch (3).




12. Remove the latch (1) from the body access hole.




13. Slide the electrical connector lock (1) to the unlocked position. Remove the connector from the door latch.




14. Remove the fasteners from the rear latch cover securing the cables.
15. Release the cable sheath ends. Remove the latch cover.
16. Remove the cable end by rotating the cable a quarter turn to disengage from the latch actuating lever. The floor mounted release cable is attached to the lower lever on the latch.
17. Attach a mechanic's wire to the latch end of the cable in order to assist in guiding the replacement cable back into position.
18. Pull the cable from the rear compartment end, and guide it out through the trim panel in the rear compartment.

Installation Procedure




1. Attach the replacement cable end to the mechanic's wire.
2. Pull the mechanics wire back through the carpet, guiding the cable toward the latch.
3. Install the cable end on the latch by rotating the cable a quarter turn to engage the cable end to the latch actuating lever.
4. Seat the cables into the molded latch cover recess. Install the latch cover.

Notice: Refer to Fastener Notice in Service Precautions.

5. Install the latch cover fasteners to the latch.

Tighten the fasteners to 2 N.m (18 lb in).




6. Install the electrical connector. Slide the connector lock (1) to the seated position on the door latch mechanism.




7. Place the latch (1) in the body access hole, aligning the fastener holes to the body.




8. Install the fasteners (1) through the cover plate (2) and to the B-Pillar mounted door latch (3).

Tighten the fasteners to 10 N.m (89 lb in).




9. Install the fastener (1) to the bracket retaining the rear door release cable (2).

Tighten the fasteners to 3 N.m (27 lb in).

10. Guide the end of the door release cable through the slit in the trim panel toward the rear compartment area.
11. Seat the trim panel to the body, and screw in both cargo net hooks to the driver side trim panel in the rear compartment.
12. Connect the battery.
13. Verify the operation of the latch using the front and rear manual release. Verify the key fob, the door touch pad, and the door panel electrical actuators.




14. Install the new mastic cover (1) over the latch access hole in the body.
15. Install the B-Pillar interior trim.
16. Install the doorsill trim.