Operation CHARM: Car repair manuals for everyone.
Manuals through 2025 now available!

Our trusted friends have launched a new website named LEMON, which has newer manuals. It also contains all the CHARM manuals.

LEMON is the spiritual successor to CHARM, I recommend you try it!

Link: lemon-manuals.la or lemon-manuals.org.ua

(Some people have issue connecting. LEMON is investigating. For now, use Firefox or change your DNS server)

Or, hide this message: temporarily or permanently

Alternator: Service and Repair



GENERATOR REPLACEMENT

REMOVAL PROCEDURE

CAUTION: Refer to Battery Disconnect Caution in Service Precautions.




1. Remove the drive belt.
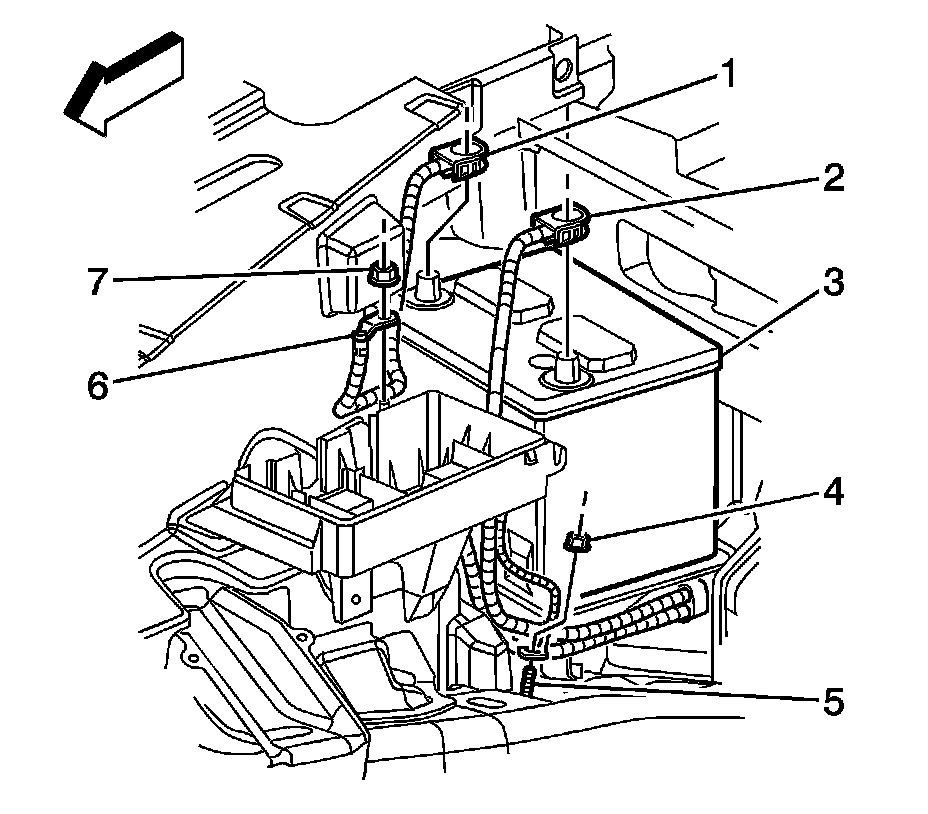
2. Disconnect the negative battery cable (2).
3. Drain the cooling system. Refer to Draining and Filling Cooling System in Cooling System.
4. Remove the front suspension crossmember.




5. Remove the bolt from the generator coolant hose assembly on the generator.
6. Disconnect the generator coolant hose assembly from the generator port.




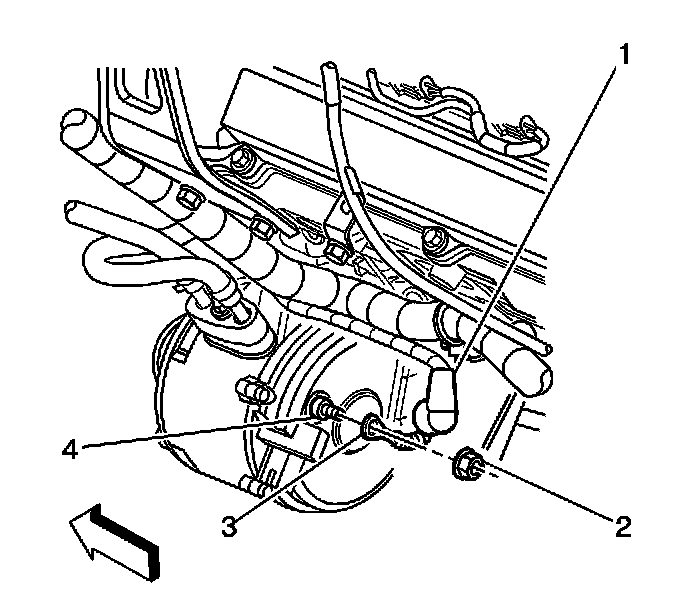
7. Disconnect the generator electrical connector (1).




8. Remove the starter cable terminal from the generator:
1. Slide the boot (1) back along the cable.
2. Remove the starter cable nut (2).
3. Remove the starter cable terminal (3) from the stud (4).




9. Remove the upper generator bolt from the generator.




10. Remove the idler pulley thru-bolt (1).
11. Remove the idler pulley nut (2).
12. Remove the idler pulley assembly (3).
13. Remove the generator (4).

INSTALLATION PROCEDURE




1. Install the generator.




2. Install the upper generator bolt.

Tighten the generator bolts to 50 N.m(37 lb ft).

NOTE: Refer to Fastener Notice in Service Precautions.




3. Install the idler pulley assembly (3) and bolt (1).
4. Install the nut (2). Tighten the generator fasteners to the following torque values:
1. Idler pulley bolt (1) to 50 N.m (37 lb ft).
2. Idler pulley nut (2) to 50 N.m (37 lb ft).




5. Install the starter cable terminal to the generator:
1. Install the starter cable terminal to the stud.
2. Install the starter cable nut (2).

Tighten the starter cable nut to 20 N.m(15 lb ft).

3. Slide the boot (1) over the generator stud (4).
6. Position the generator coolant hose assembly to the generator and secure with the bolt.

Tighten the bolt to 27 N.m(20 lb ft).




7. Connect the generator electrical connector (1).
8. Install the front suspension crossmember.
9. Fill the cooling system. Refer to Draining and Filling Cooling System in Cooling System.




10. Connect the negative battery cable (2).
11. Install the drive belt.